EasyManua.ls Logo

Fluke 6080A - Page 151

Fluke 6080A
296 pages
Print Icon
To Next Page IconTo Next Page
To Next Page IconTo Next Page
To Previous Page IconTo Previous Page
To Previous Page IconTo Previous Page
Loading...
TROUBLESHOOTING AND REPAIR
FREQUENCY SYNTHESIS
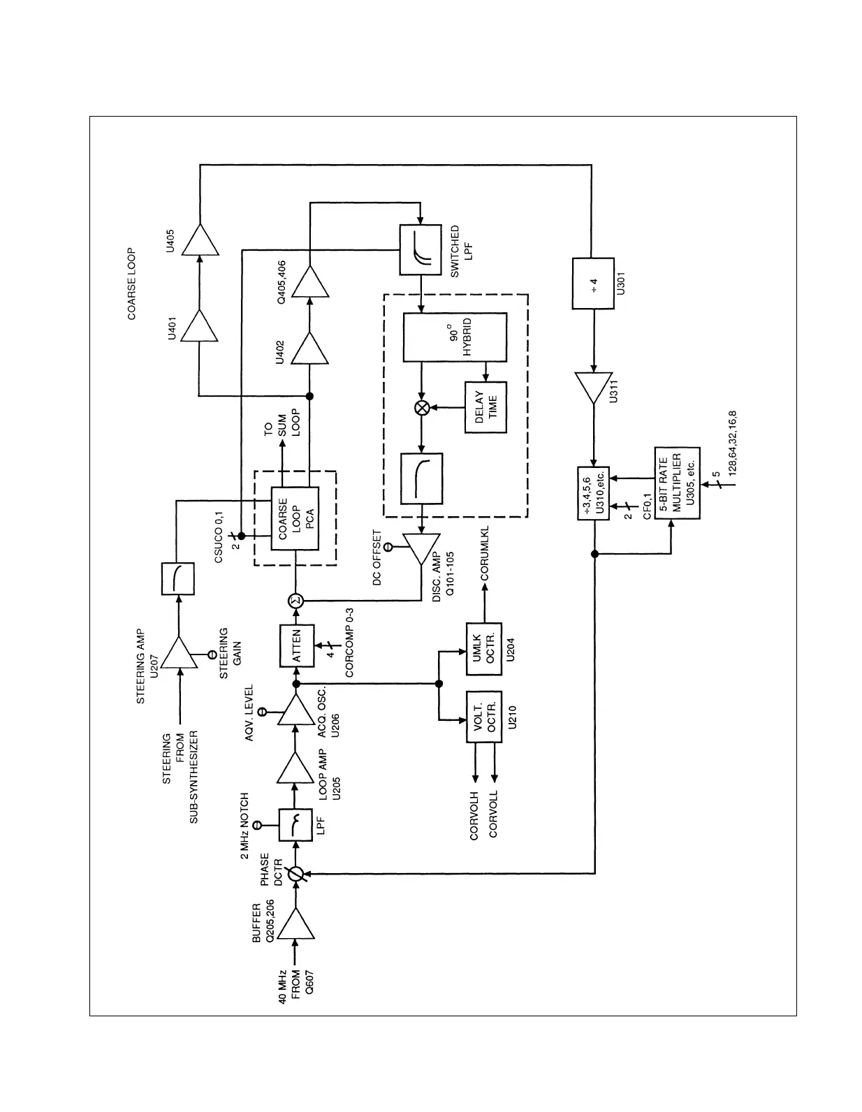
Figure 6C-7. Coarse Loop Block Diagram
6C-21

Table of Contents

Related product manuals