EasyManua.ls Logo

Giga-tronics 58542 - Calibrator Module; Figure 3-3: Calibrator Internal Power Standard Configuration

Default Icon
252 pages
Print Icon
To Next Page IconTo Next Page
To Next Page IconTo Next Page
To Previous Page IconTo Previous Page
To Previous Page IconTo Previous Page
Loading...
58452 VXIbus Universal Power Meter
3-4 Publication 21555, Rev. E, September 2002
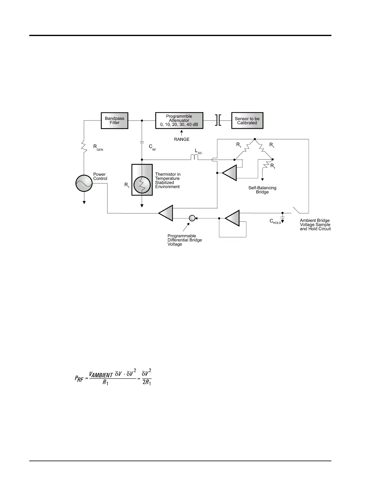
3.4 Calibrator Module
The Calibrator Module is located on the Analog PC Board. It is the heart of the 58542 Power Meter in
that it is a patented system that allows the power sensors to be calibrated against an internal thermistor
power standard (See Figure 3-3). In contrast to the conventional fixed-level calibrators, the 58542
calibrator produces a range of power levels over a 50 dB dynamic range to an accuracy of a few
thousandths of a dB.
The thermistor is mounted in a self-balancing bridge configuration using DC substitution in the bridge.
The thermistor is maintained at a fixed operating point and the DC power (P
DC
) in the thermistor is
related to the RF power (P
RF
) by the simple relationship:
P
DC
+ P
RF
= P
AMBIENT
= constant
The constant, P
AMBIENT
, is found by turning the RF power off and measuring the ambient voltage,
V
AMBIENT
to which the self-balancing bridge settles. The advantage of this approach is that the
linearity of the thermistor-leveled oscillator is limited only by the accuracy with which DC voltages can
be measured and the stability of the RF calibrator. To ensure exceptional stability, the thermistor
assembly is enclosed in a temperature-stabilized environment and a low drift sampling circuit is used to
hold the ambient bridge voltage. The RF power can then be programmed by controlling a difference
voltage,
δV, at the summing node. The power is related to the voltage by:
This permits the RF power to be precisely controlled over a dynamic range of about 12 to 15 dB. The
dynamic range is extended using a switched attenuator, the properties of which are determined using the
thermistor-leveled oscillator itself. The effective attenuation (including all mismatch effects) of each
attenuator relative to the next is measured by finding a pair of powers, one for each attenuator, that
produces identical signals from the sensor under test. Because the sensor under test is used at a fixed
operating point, no knowledge of its detection law is required.
Figure 3-3: Calibrator Internal Power Standard Configuration

Table of Contents

Related product manuals