EasyManua.ls Logo

Harsco MARK IV - Page 41

Harsco MARK IV
150 pages
Print Icon
To Next Page IconTo Next Page
To Next Page IconTo Next Page
To Previous Page IconTo Previous Page
To Previous Page IconTo Previous Page
Loading...
MARK IV HD J2 TAMPER OPERATION PAGE 2.1 - 9
BULLETIN 5082505 CONTROLS REVISED 10 - 2020
2.1
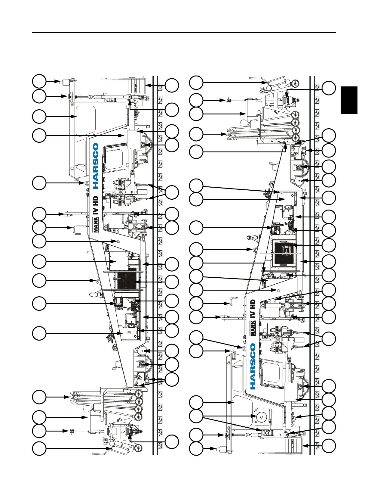
2.1.1 Controls / Locks Locations
FIGURE 2.1-2 FIGURE 2.1-3
MARK IV HD TAMPER - LEFT SIDE MARK IV HD TAMPER - RIGHT SIDE
6
29
30
24
22
19
31
30
2
10
35
37
34
41
4
22
14
26
9
25
8
1
15
3
17
11
14
21
36
39
28
36
33
38
14
32
20
17
3
1
14
26
25
8
23
9
27
22
28
6
29
5
4
7
30
24
19
22
13
30
12
35
37
34
41
2
10
18
40
38
16
18

Table of Contents