EasyManua.ls Logo

Harsco MARK IV - Page 97

Harsco MARK IV
150 pages
Print Icon
To Next Page IconTo Next Page
To Next Page IconTo Next Page
To Previous Page IconTo Previous Page
To Previous Page IconTo Previous Page
Loading...
MARK IV HD J2 TAMPER OPERATION PAGE 2.1 - 65
BULLETIN 5082505 CONTROLS REVISED 10 - 2020
2.1
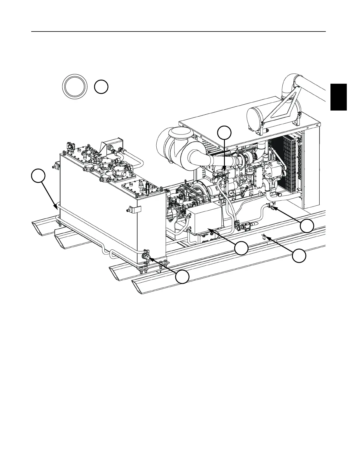
2.1.15 Diesel Fired Arctic Fox Heater Option
FIGURE 2.1-48
ARCTIC FOX HEATER OPTION
ENGINE
HEATER
LEFT CONTROL PANEL
4
2
5
5
3
1
4

Table of Contents