EasyManua.ls Logo

Hioki RM3545-02 - Internal Circuitry

Hioki RM3545-02
364 pages
Print Icon
To Next Page IconTo Next Page
To Next Page IconTo Next Page
To Previous Page IconTo Previous Page
To Previous Page IconTo Previous Page
Loading...
8.2 Internal Circuitry
146
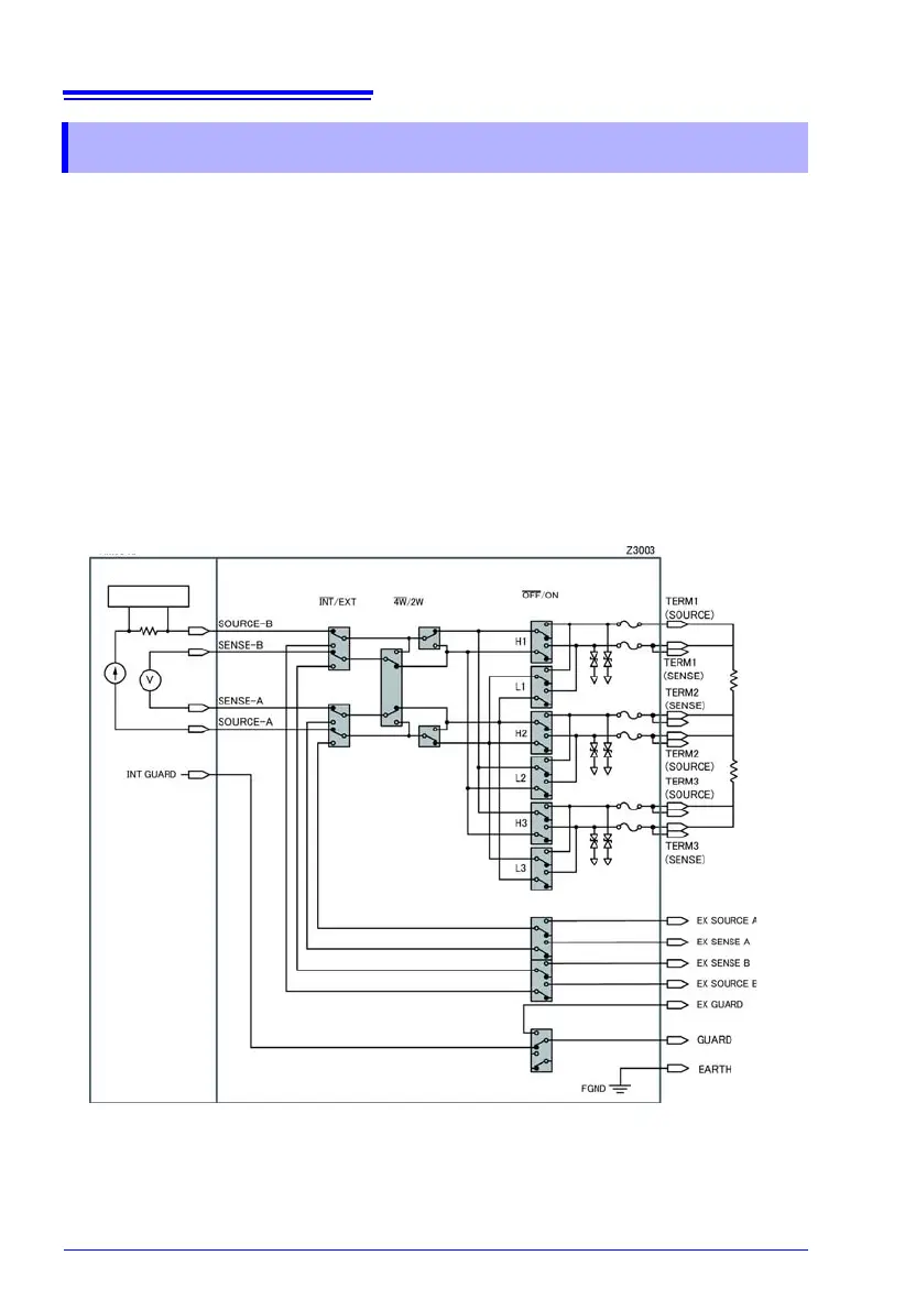
The Z3003 Multiplexer Unit can measure resistance between user-specified pins. It
allows wiring to be simplified in measurement applications such as resistance networks
with common terminals, steering switches, and 3-phase motors.
Each measurement terminal has built-in protection against coil back-EMF.
The self-test function performs short and open tests. Short test measures a specific pin’s
round-trip wiring resistance and generates a PASS result if the value is 1 or less.
The Z3003 Multiplexer Unit stores the number of relay switching cycles. This information
can be accessed when performing a self-test with key operation or using commands, and
it should be used to gauge maintenance timing.
For more information about multiplexer command control, see the Communications Com-
mand Instruction Manual on the included application disc.
Each terminal incorporates a built-in, protective fuse (rated current: 1.6 A). (Fuses cannot
be replaced by the customer.) If the fuse trips due to over-input, measurement will no lon-
ger be possible. If this occurs, have the instrument repaired.
8.2 Internal Circuitry
Follow current
detection circuit
switching switching
switching
RM3545-02

Table of Contents

Related product manuals