EasyManua.ls Logo

Hioki RM3545-02 - Internal Circuitry

Hioki RM3545-02
364 pages
Print Icon
To Next Page IconTo Next Page
To Next Page IconTo Next Page
To Previous Page IconTo Previous Page
To Previous Page IconTo Previous Page
Loading...
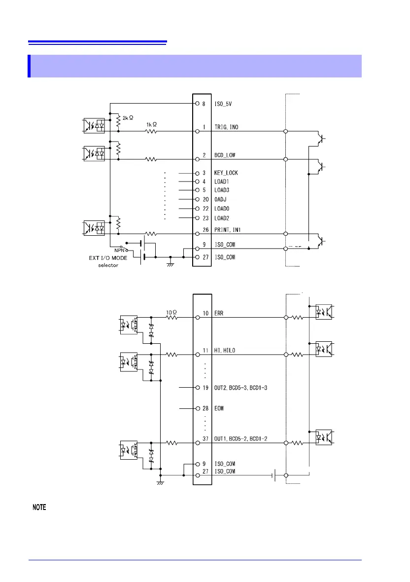
10.3 Internal Circuitry
202
Use ISO_COM as the common pin for both input and output signals.
If a high current will flow to common wiring, branch the output signal common wiring and
input signal common wiring from a point lying close to the ISO_COM pin.
10.3 Internal Circuitry
Input Circuit
(NPN Setting)
Output Circuit
(NPN Setting)
PLC, etc.
PLC, etc.
Output
Input
Common
Do not apply external power
Internally Isolated
Common Signal Ground
Zener
Voltage
30 V
Common
Internally Isolated
Common Signal
Ground

Table of Contents

Related product manuals