EasyManua.ls Logo

Hisun HS400 - Page 116

Hisun HS400
293 pages
Print Icon
To Next Page IconTo Next Page
To Next Page IconTo Next Page
To Previous Page IconTo Previous Page
To Previous Page IconTo Previous Page
Loading...
Engine
4-23
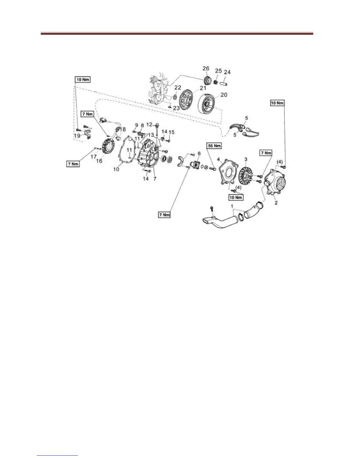
Engine Cooling Fan and A.C. Magneto
No.
Part Name
Qty
Remarks
14
15
16
17
18
19
20
21
22
23
24
25
26
Wire clip
Hex Flange bolt M6 X 30
Generator stator
Washer B6
Pickup coil
Stator lead holder
Generator rotor
Starter wheel gear
Washer
Woodruff key
Starter idle gear shaft
Bearing
Starter idle gear
For installation, reverse the order
listed.

Table of Contents