EasyManua.ls Logo

Hisun HS400 - Chapter 5 Chassis; Front Bumper and Hood

Hisun HS400
293 pages
Print Icon
To Next Page IconTo Next Page
To Next Page IconTo Next Page
To Previous Page IconTo Previous Page
To Previous Page IconTo Previous Page
Loading...
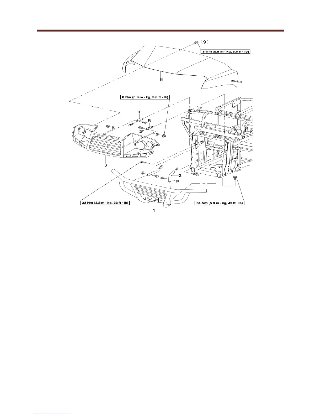
CHASSIS
5-3
No.
Part Name
Qty
Remarks
1
2
3
4
5
6
Removing the front bumper and
Hood
Front Bumper Assembly
Bumper Support
Front headlight grille
Right Mounting Lug, Front Panel
Left Mounting Lug, Front Panel
Hood
1
1
1
1
1
1
Remove the parts in the order
listed.
For installation, reverse the order
listed.
Panels and Footrest Cover

Table of Contents