EasyManua.ls Logo

Hisun HS400 - Ignition System Troubleshooting

Hisun HS400
293 pages
Print Icon
To Next Page IconTo Next Page
To Next Page IconTo Next Page
To Previous Page IconTo Previous Page
To Previous Page IconTo Previous Page
Loading...
Electrical
6-12
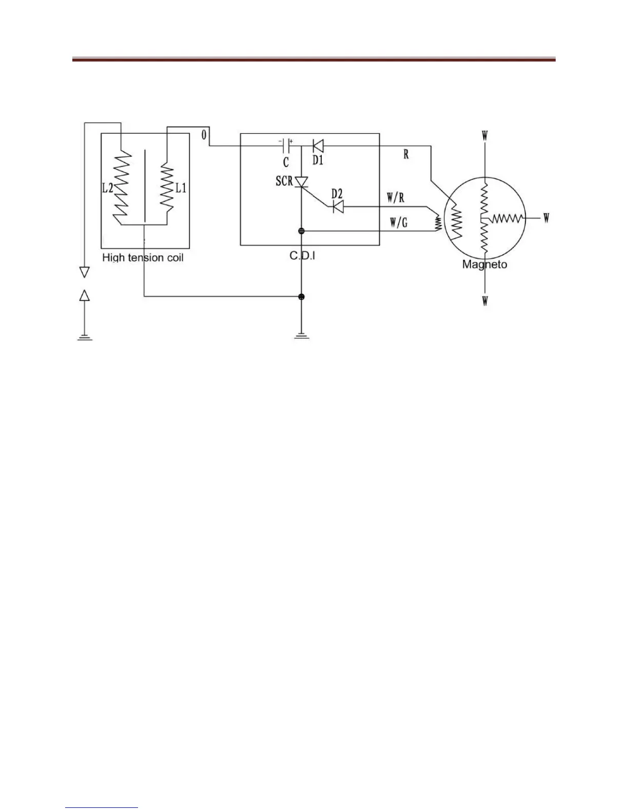
IGNITION SYSTEM
CIRCUIT DIAGRAM
Troubleshooting
IF THE IGNITION SYSTEM FAILS TO OPERATE (NO SPARK OR INTERMITTENT
SPARK):
Check the following:
1. Fuses (main, ignition)
2. Battery
3. Spark plug
4. Ignition spark gap
5. Spark plug cap resistance
6. Ignition coil resistance
7. Main switch
8. Pickup coil resistance
9. Rotor rotation direction detection coil resistance
10. Wiring connections (the entire ignition system)

Table of Contents