EasyManua.ls Logo

Hisun HS400 - Transmission

Hisun HS400
293 pages
Print Icon
To Next Page IconTo Next Page
To Next Page IconTo Next Page
To Previous Page IconTo Previous Page
To Previous Page IconTo Previous Page
Loading...
Engine
4-49
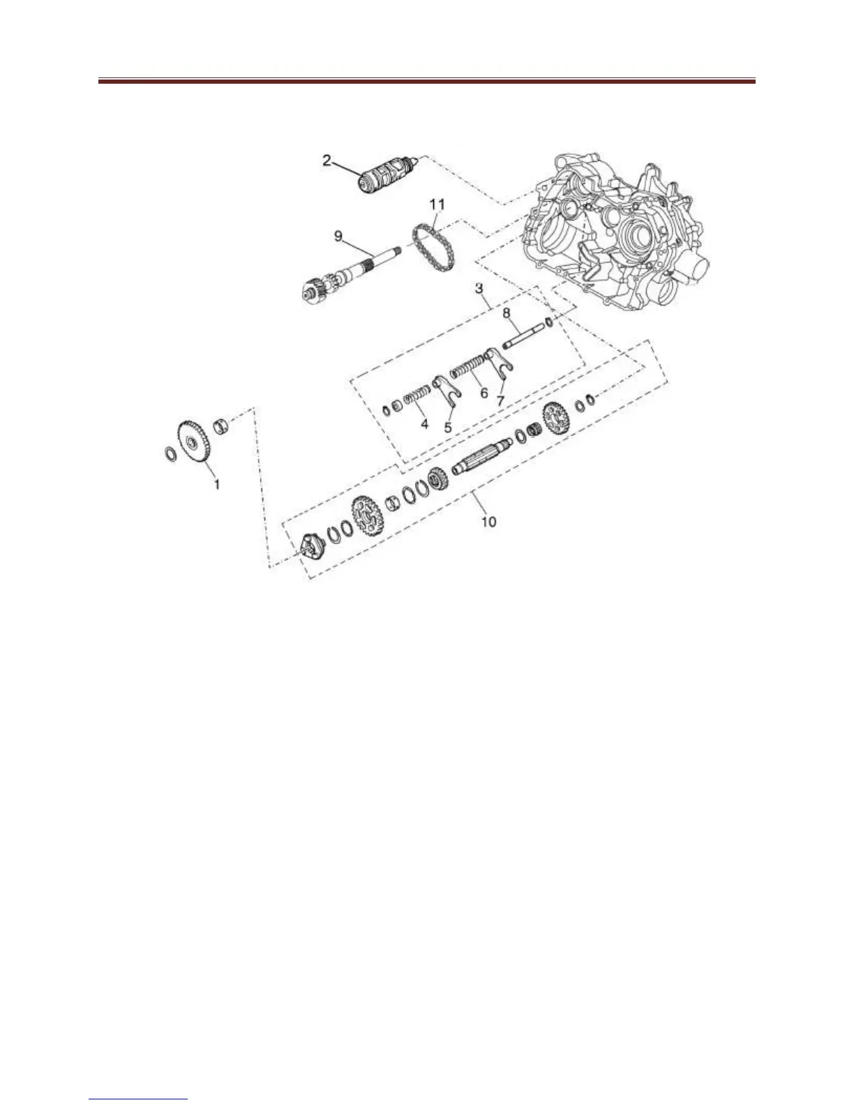
Transmission
No.
Part Name
Qty
Remarks
1
2
3
4
5
6
7
8
9
10
11
Removing the transmission
Crankcase separation
Middle driven gear
Low wheel gear
Shift drum
Shift fork assembly
Short spring
Shift fork 1
Long spring
Shift fork 2
Guide bar
Secondary shaft
Drive axle assembly
Chain
1
1
1
1
1
1
1
1
1
1
1
Remove the parts in the order
listed.
For installation, reverse the
order listed.

Table of Contents

Other manuals for Hisun HS400

Related product manuals