EasyManua.ls Logo

Hisun HS400 - Engine Cooling Fan and A.C

Hisun HS400
293 pages
Print Icon
To Next Page IconTo Next Page
To Next Page IconTo Next Page
To Previous Page IconTo Previous Page
To Previous Page IconTo Previous Page
Loading...
Engine
4-22
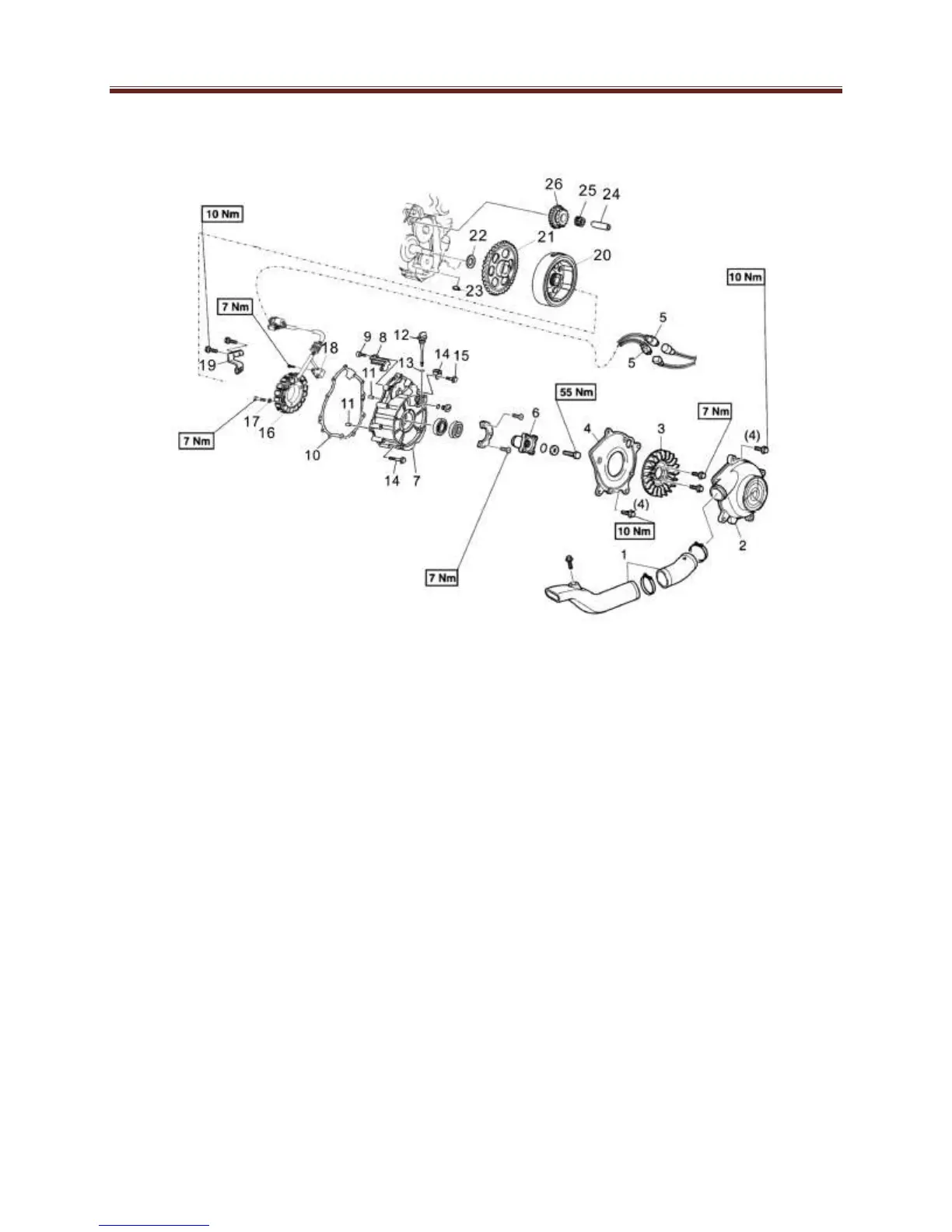
Engine Cooling Fan and A.C. Magneto
No.
Part Name
Qty
Remarks
1
2
3
4
5
6
7
8
9
10
11
12
13
Remo
ving the engine cooling fan
and A.C. magneto
Drive belt cover
Engine oil
Coolant
Water pump assembly
Engine cooling fan air duct assembly
Air shroud 1
Engine cooling fan
Air shroud 2
A.C. Magneto coupler
Engine cooling fan pulley base
Left & Front cover
Press wire plate
Inner hex cylinder screw M5 X 12
Seal cushion, left & front
Cotter Pin 10 X 15.7
Gauge, oil level
Seal O-ring 20 X 2.4
1
1
1
1
2
1
1
1
2
1
2
1
1
Remove the parts in the order
listed.

Table of Contents