EasyManua.ls Logo

INVT Goodrive270 Series - Page 144

INVT Goodrive270 Series
372 pages
Print Icon
To Next Page IconTo Next Page
To Next Page IconTo Next Page
To Previous Page IconTo Previous Page
To Previous Page IconTo Previous Page
Loading...
Goodrive270 series VFD for fan and pump Basic operation guidelines
-134-
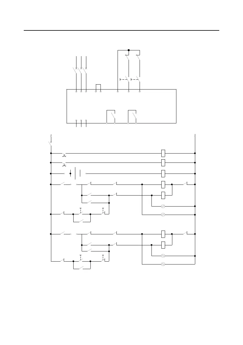
If you use one VFD to control two pump motors to perform the cyclic variable-frequency function, refer
to Figure 5-31 to connect the external relay control circuit.
GD270
L1 L2 L3
24V PW S1
R S T
S2COM
SA1 SA2
KA1 KA2
WVU
RO5A RO5C RO6A RO6C
KA2
KA1
N
SB4SB3
KM4
KA5
KM3
KM4
KM3
RO6A
RO6C
KA5
KM1
KM4
KM3
SB2SB1
KA5
KM2
KM1
FR1
FR2
RO5A
RO5C
KA5
KM3
KM2
KM1
KA1
KA2
KA5
KM1
KM2
L
Power-frequency
running of pump 1
Variable-frequency
running of pump 1
Auto
Manual
Stop
KM2
KM4
Power-frequency
running of pump 2
Variable-frequency
running of pump 2
Figure 5-31 External relay control wiring (with two pumps)

Table of Contents

Related product manuals