EasyManua.ls Logo

Klereo Kompact - Connecting Lighting

Klereo Kompact
48 pages
Print Icon
To Next Page IconTo Next Page
To Next Page IconTo Next Page
To Previous Page IconTo Previous Page
To Previous Page IconTo Previous Page
Loading...
Klereo Kompact installation manual V 3
20
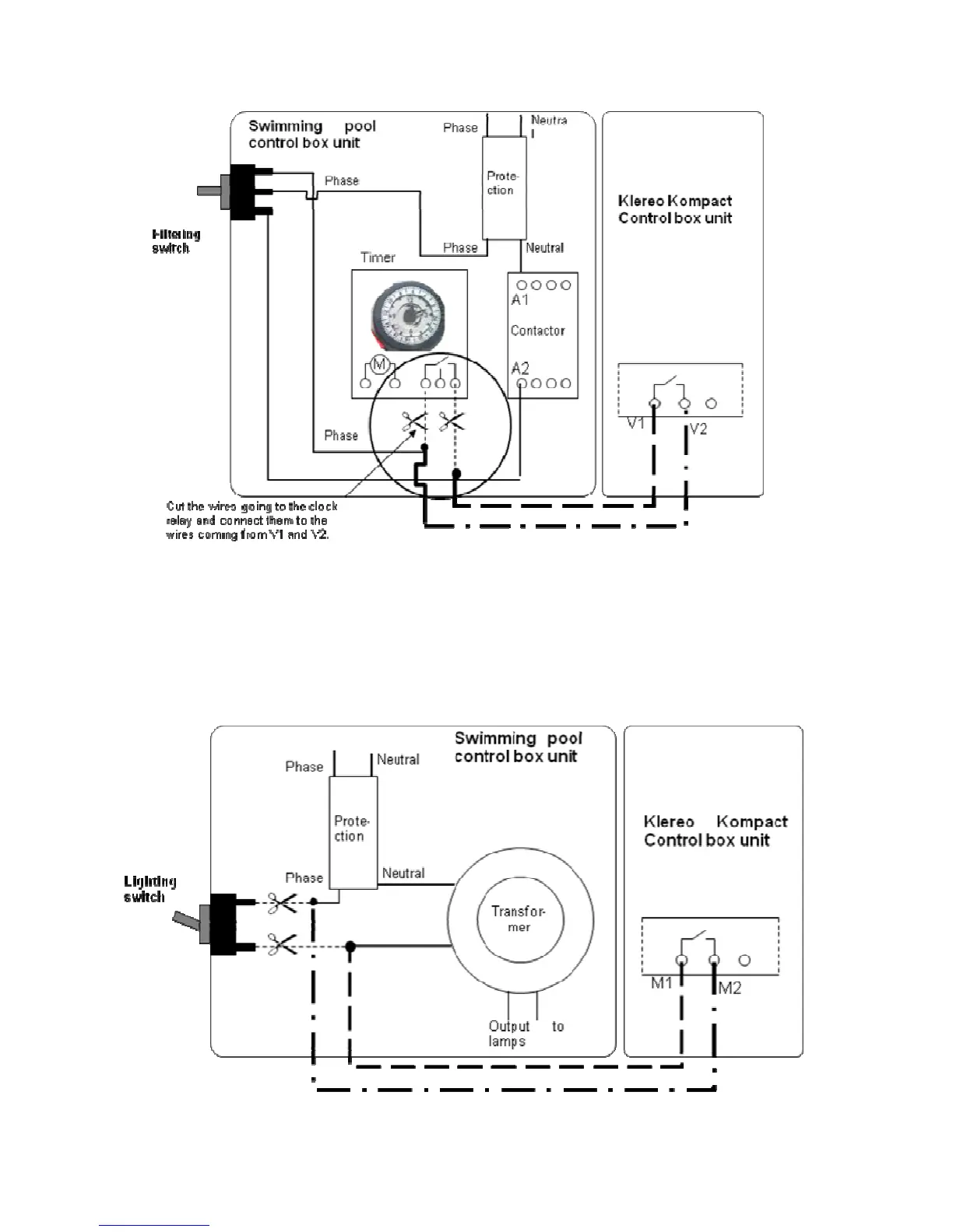
Figure 29. Example of connection to an existing swimming pool control box unit.
4.5 Connecting lighting
The lighting output (M1 M2) must be connected to the electrical circuit supplying the pool
lighting transformer. This output is a normally open contact. The power supply going through
should not exceed 8A. Make sure that the electrical circuit is equipped with necessary
protections meeting local standards.
Figure 30. Example of lighting connection to an existing swimming pool control box unit

Table of Contents