EasyManua.ls Logo

KMT STREAMLINE SL-IV 100 - SECTION 7 HIGH PRESSURE WATER; 7 High Pressure (HP) Water; 7.1 Components

Default Icon
157 pages
To Next Page IconTo Next Page
To Next Page IconTo Next Page
To Previous Page IconTo Previous Page
To Previous Page IconTo Previous Page
Loading...
SECTION 7
HIGH PRESSURE WATER
Jan 2001
Page 7-1
05114624
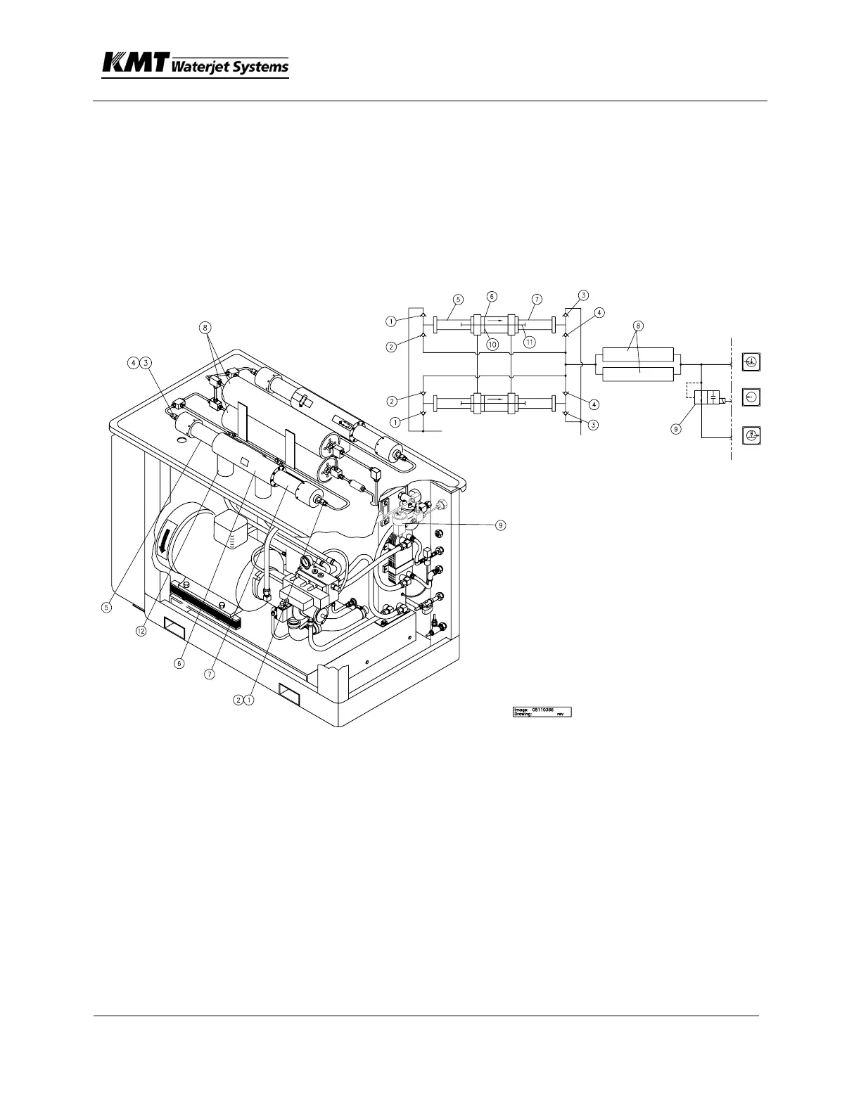
7 High Pressure (HP) Water
The high pressure (HP) water system takes the relatively low pressure water
inlet to up to 3,800 bar (55,000 psi) at 2.0 1/min, 0.53gpm with an orifice
diameter of 0.28 mm (0.011”).
7.1 Components
The high pressure water components include the hydraulic intensifier, HP
attenuators, HP dump valve and HP piping.
Item Description
(1) Inlet Check Valve (2) Discharge Check Valve (3 Inlet Check Valve)
(4) Discharge Check Valve (5) HP Cylinder (6) Hydraulic Cylinder
(7) HP Cylinder (8) Attenuator (9) Dump Valve
(10) Piston (11) Plunger (12) Stem

Table of Contents

Related product manuals