EasyManua.ls Logo

KUHN MAXIMA 2 M - Adjusting the Markers; Marking to the Tractor Wheel; Calculating the Distance (M)

KUHN MAXIMA 2 M
220 pages
Print Icon
To Next Page IconTo Next Page
To Next Page IconTo Next Page
To Previous Page IconTo Previous Page
To Previous Page IconTo Previous Page
Loading...
Precision Seed Drills
56
MAXIMA 2 M
Instructions for work
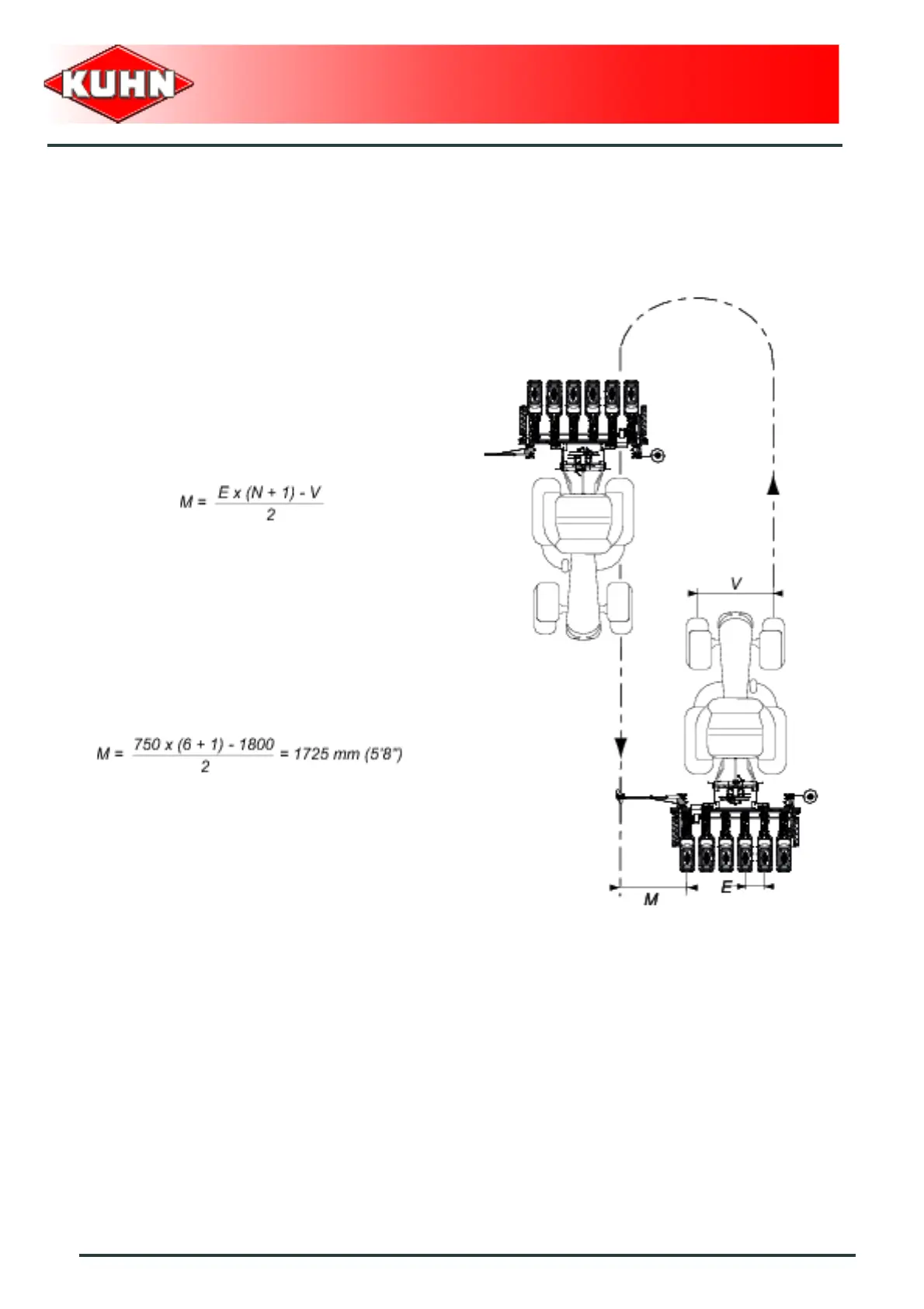
Adjusting the markers
The side markers are designed to provide marking in the
tractor centre or wheel track.
Marking to the tractor wheel
Calculating the distance (M):
- M: distance between the marker disk and the outer
seeding unit.
- N: Number of rows.
- E: distance between rows.
- V: Tractor wheel track.
Example:
N = 6 rows
E = 750 mm (2.5’’)
V = 1800 mm (5’11’’)

Table of Contents

Related product manuals