EasyManua.ls Logo

KUHN MAXIMA 2 M - Marking in Line with the Tractor

KUHN MAXIMA 2 M
220 pages
Print Icon
To Next Page IconTo Next Page
To Next Page IconTo Next Page
To Previous Page IconTo Previous Page
To Previous Page IconTo Previous Page
Loading...
Instructions for work
Precision Seed Drills
MAXIMA 2 M
57
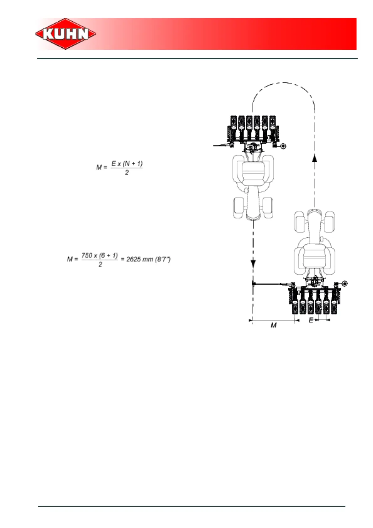
Marking in line with the tractor
Calculating the distance (M):
- M: distance between the marker disk and the outer
seeding unit.
- N: Number of rows.
- E: distance between rows.
Example:
N = 6 rows
E = 750 mm (2.5’’)

Table of Contents

Related product manuals