EasyManua.ls Logo

Lamtec ETAMATIC OEM - Connection Diagrams

Lamtec ETAMATIC OEM
160 pages
Print Icon
To Next Page IconTo Next Page
To Next Page IconTo Next Page
To Previous Page IconTo Previous Page
To Previous Page IconTo Previous Page
Loading...
108
10 Appendix
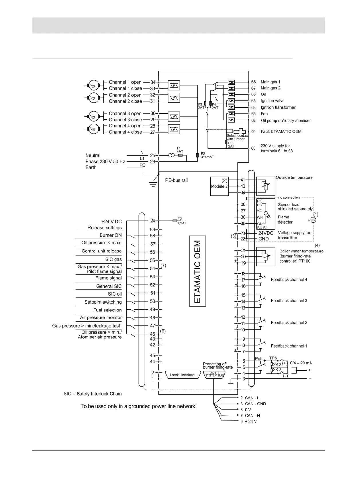
10.8 Connection Diagrams
Fig. 10-7 Connecting diagram ETAMATIC OEM with pilot flame monitoring (footnotes see pages before)

Table of Contents

Other manuals for Lamtec ETAMATIC OEM

Related product manuals