EasyManua.ls Logo

Lamtec ETAMATIC OEM - Flame Scanner and Sensor Connection; Flame Scanner Connection

Lamtec ETAMATIC OEM
160 pages
Print Icon
To Next Page IconTo Next Page
To Next Page IconTo Next Page
To Previous Page IconTo Previous Page
To Previous Page IconTo Previous Page
Loading...
113
10 Appendix
10.12 Flame Scanner and Sensor Connection
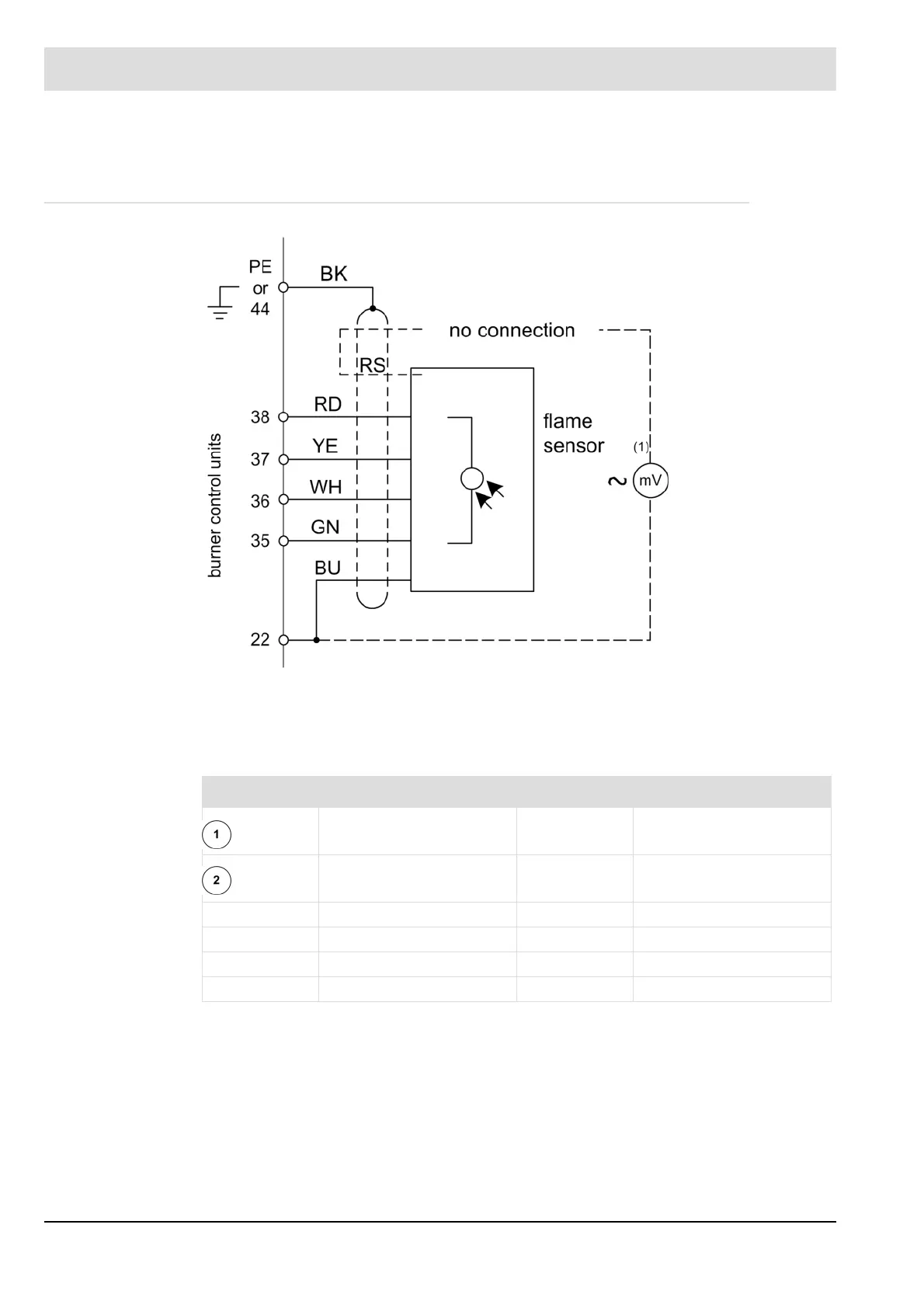
10.12.1 Flame Scanner Connection
Fig. 10-9 Connection flame scanner
Flame intensity to align the flame sensor (not connected during operation) with delivery of
01.01.2003 on.
Abbreviation Description Abbreviation Description
ETAMATIC
Net
BK Black WH White
PK Pink GN Green
RD Red BU Blue
YE Yellow PE PE-bar

Table of Contents

Other manuals for Lamtec ETAMATIC OEM

Related product manuals