EasyManua.ls Logo

Lamtec ETAMATIC OEM - 10.18 Operating Unit Switches & Key Combinations

Lamtec ETAMATIC OEM
160 pages
Print Icon
To Next Page IconTo Next Page
To Next Page IconTo Next Page
To Previous Page IconTo Previous Page
To Previous Page IconTo Previous Page
Loading...
128
10 Appendix
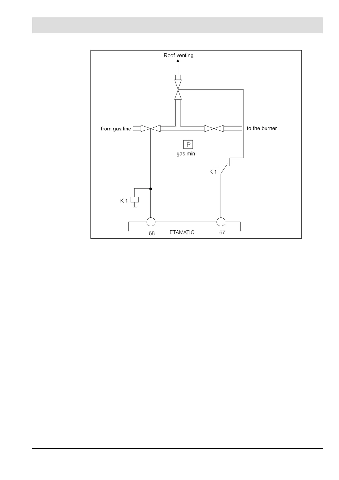
Fig. 10-26 Suggested wiring for venting the gas line over the roof in conjunction with the ETAMATIC OEM

Table of Contents

Other manuals for Lamtec ETAMATIC OEM

Related product manuals