EasyManua.ls Logo

Leadshine ELD2-RS70 Series - Timing Chart on Power-Up; Timing Chart on Fault; Holding Brake

Leadshine ELD2-RS70 Series
92 pages
Print Icon
To Next Page IconTo Next Page
To Next Page IconTo Next Page
To Previous Page IconTo Previous Page
To Previous Page IconTo Previous Page
Loading...
55
ELD2-RS70** User Manual
6.1.2 Timing chart on power-up
r,t control power
inner control power
R,S,T main power
BUS voltage
Servo ready
Servo on input
Dynamic brake
Motor power on
BRK-OFF
Position/velocity/torque command
off on
on
on
on
on
on
on
on
on
have
off
off
off
off
off
off
off
off
no
<0.5 second
>0 millisecond
<0.8 second
<1.5 second
>0 millisecond
<10 millisecond
<0.15 second
<10 millisecond
>0.1 second
6.1.3 Timing chart on fault
No fault
Have fault
alarm
No alarm
<150ms
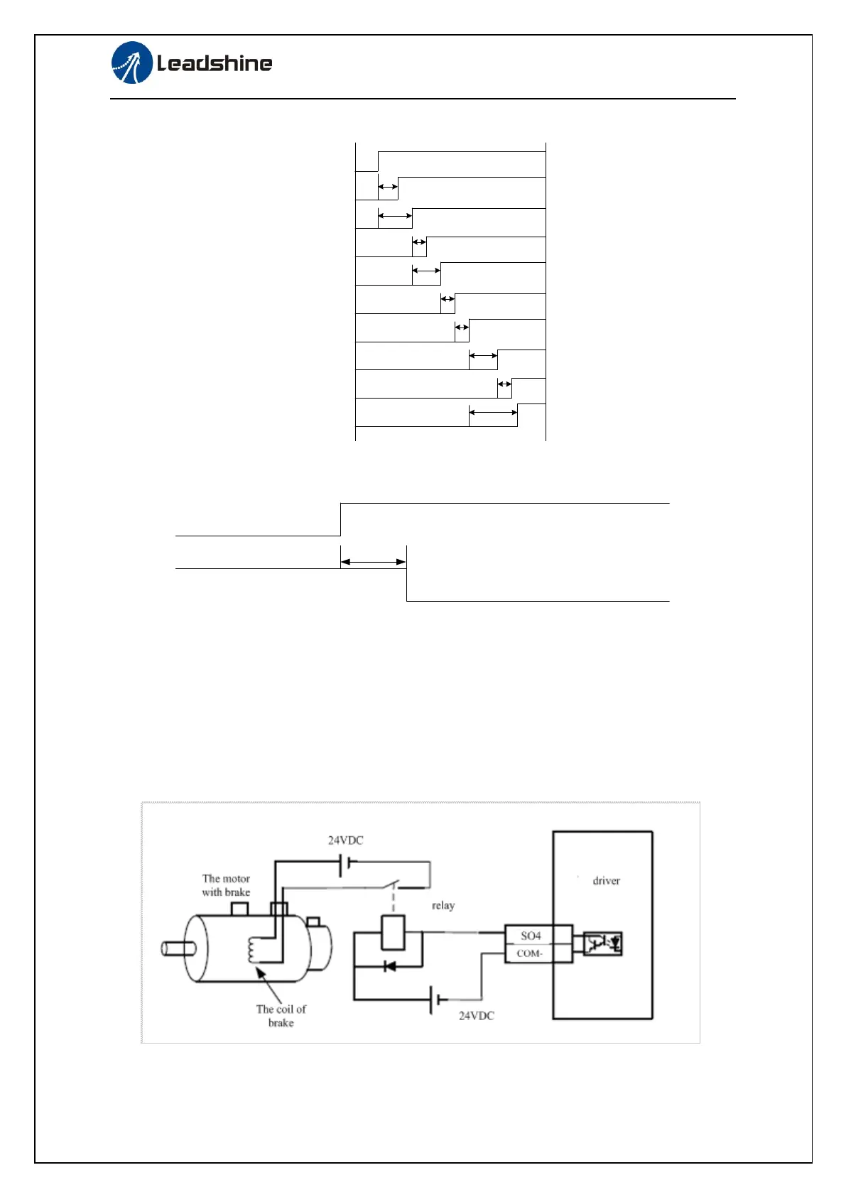
6.1.4 Holding brake
In applications where the motor drives the vertical axis, this brake would be used to hold and prevent
the work (moving load) from falling gravity while the power to the servo is shut off .
Never use this for Brake purpose to stop the load in motion.
Use this built-in brake for holding purpose only. That is to hold the stalling status.
For the brake release timing at power-on ,or braking timing at servo-off/servo-alarm while the motor is
in motion ,refer to chapter 7.1.2 timing chart on power-up.
You can follow the diagram about the wiring as below :
About the wire of brake ,there should be an 24VDC for brake, the brake will be loosed with the

Table of Contents