EasyManua.ls Logo

LeCroy WAVESURFER - Page 64

LeCroy WAVESURFER
128 pages
Print Icon
To Next Page IconTo Next Page
To Next Page IconTo Next Page
To Previous Page IconTo Previous Page
To Previous Page IconTo Previous Page
Loading...
WaveSurfer DSO
WS-OM-E Rev B 59
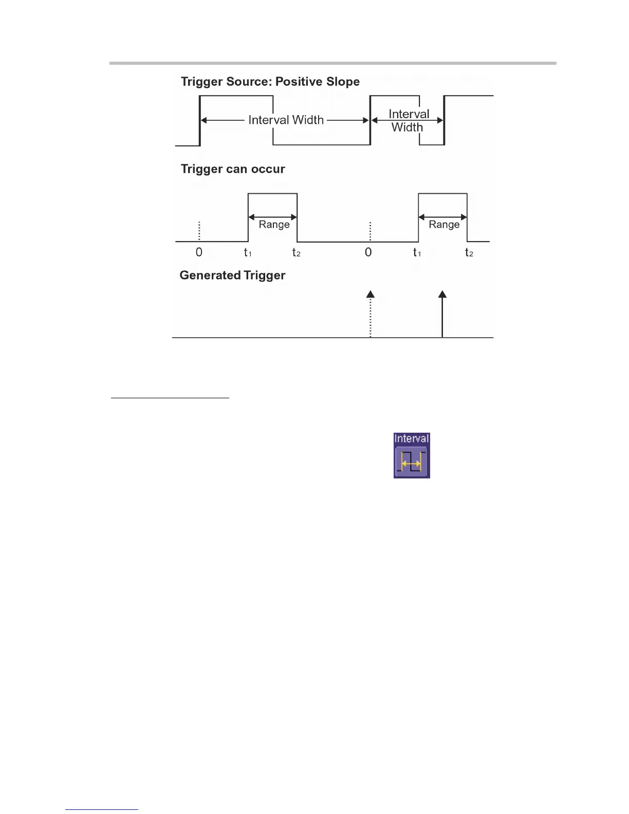
Interval Trigger that triggers when the interval falls within the selected range:
t1 = range's lower time limit; t2 = range's upper limit. The broken upward-pointing arrow indicates a
potential trigger, while the bold one indicates where the actual trigger occurs on the positive edge
within the selected range.
To Set Up Interval Trigger
1. In the menu bar, touch Trigger, then Trigger Setup... in the drop-down menu.
2. Touch the Smart Trigger button.
3. Touch inside the Type field and select Interval trigger
.
4. Touch inside the Trigger On data entry field and select a source on which to trigger.
5. Touch inside the Level data entry field and enter a value using the pop-up numeric
keypad.
6. Select positive or negative slope.
7. Touch the LessThan button and enter a pulse-width value in the Upper Limit data entry
field.
Or touch the GreaterThan button and enter a value in the Lower Limit data entry field.
Or touch the InRange button.

Table of Contents

Related product manuals