EasyManua.ls Logo

LeeBoy 400T - Electrical Schematic for Tow Pak (400 T)

Default Icon
140 pages
Print Icon
To Next Page IconTo Next Page
To Next Page IconTo Next Page
To Previous Page IconTo Previous Page
To Previous Page IconTo Previous Page
Loading...
76
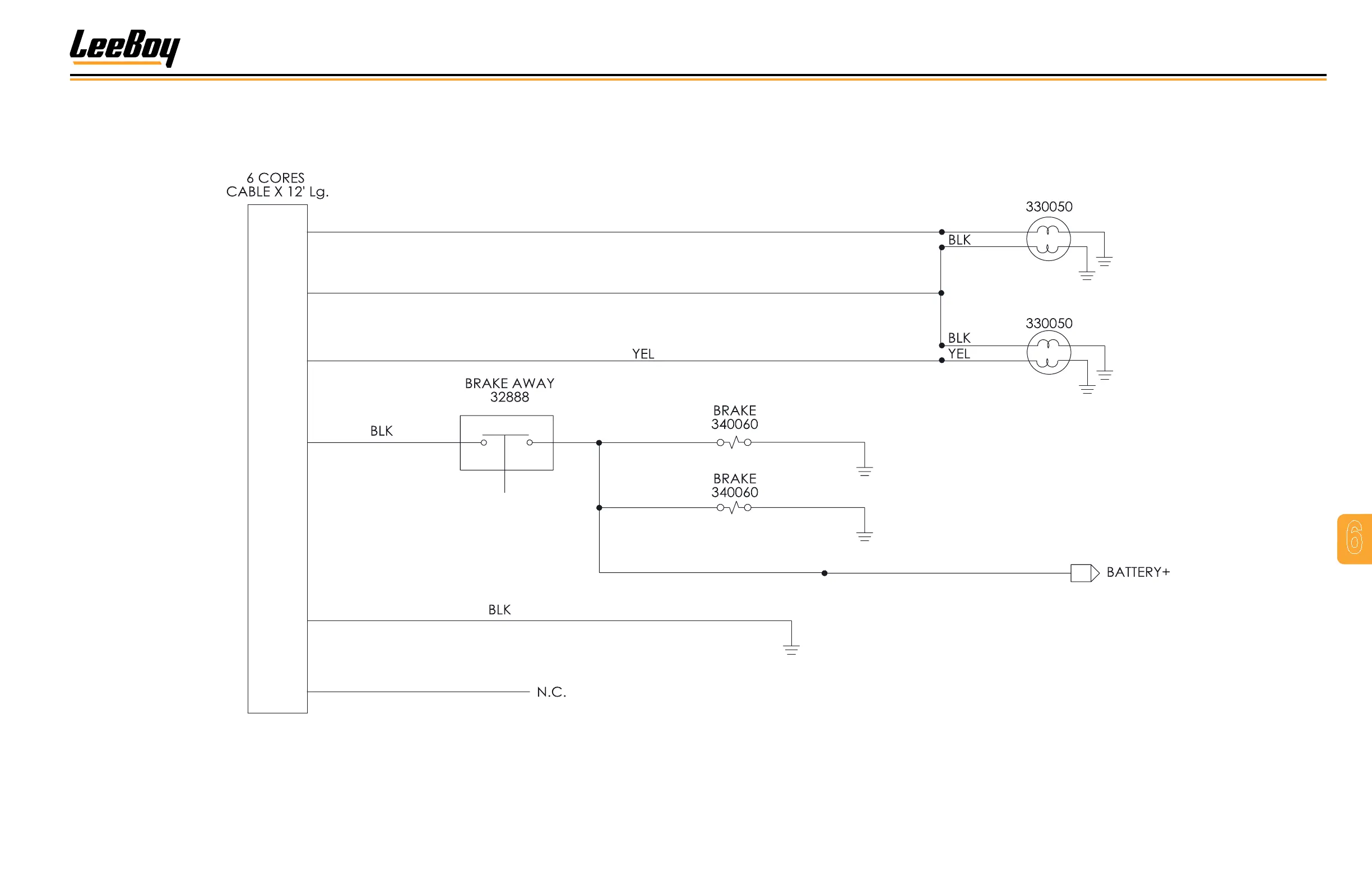
LeeBoy Model 400 & 400T Rollers 6-3
Schematics
Figure 6-1. Electrical Schematic for Tow Pak (400T only)
ELECTRICAL SCHEMATIC, TOW PAK, 400T
RED
GRN
RIGHT TAIL LIGHT
RED
BRN
BRN
BRN
LEFT TAIL LIGHT
A
BLU
BLU
BLU
LEFT
BLU
BLU
RED
RIGHT

Table of Contents

Related product manuals