EasyManua.ls Logo

LeeBoy 400T - Electrical Schematic for Options

Default Icon
140 pages
Print Icon
To Next Page IconTo Next Page
To Next Page IconTo Next Page
To Previous Page IconTo Previous Page
To Previous Page IconTo Previous Page
Loading...
76
LeeBoy Model 400 & 400T Rollers 6-7
Schematics
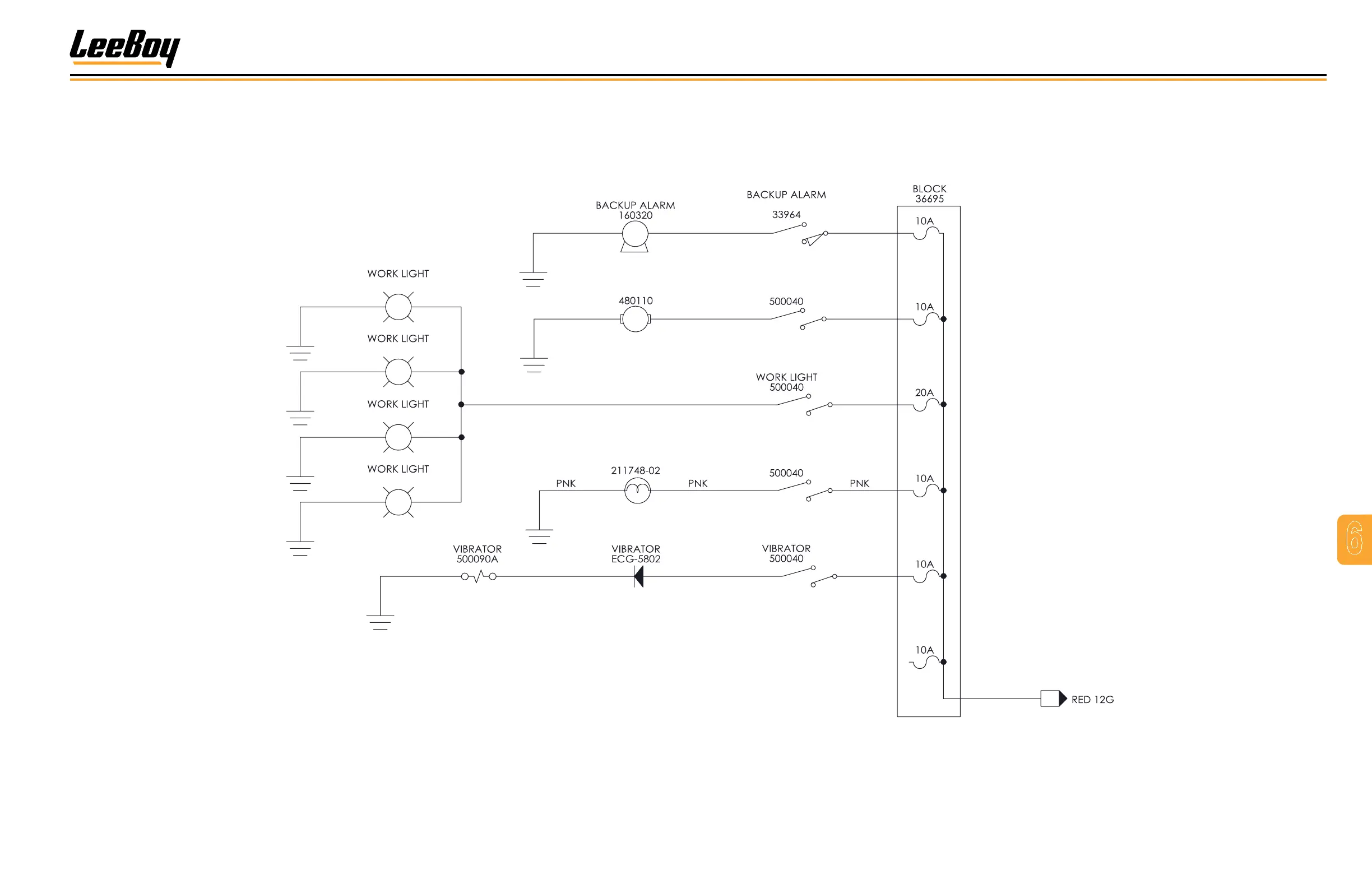
Figure 6-3. Electrical Schematic for Options
ELECTRICAL SCHEMATIC, OPTION, 400 / 400T
FUSE
M
WATER
PUMP
SWITCH
SWITCH
WATER PUMP
SWITCH
BEACON LIGHT
SWITCH
W
DIODE
LIMIT SWITCH
BEACON LIGHT
ORN
RED
BLU
BRN
REDRED
BLU
BRN
BRNBRN
ORNORN
W
W
W
BLU
BLU
BLU
BLU
1012563
1012563
1012563
1012563

Table of Contents

Related product manuals