EasyManua.ls Logo

LeeBoy 400T - Panel Gauges Schematic (Kubota 400)

Default Icon
140 pages
Print Icon
To Next Page IconTo Next Page
To Next Page IconTo Next Page
To Previous Page IconTo Previous Page
To Previous Page IconTo Previous Page
Loading...
76
LeeBoy Model 400 & 400T Rollers 6-5
Schematics
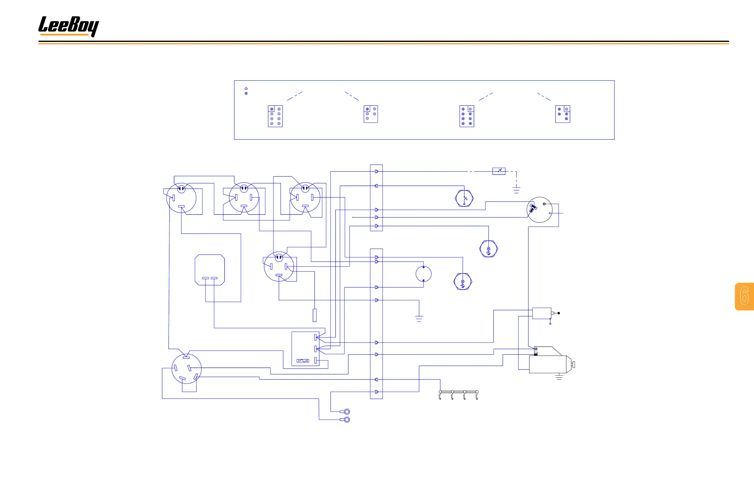
Figure 6-2. Schematic for Kubota Panel Gauges
PANEL, GAUGES, KUBOTA, 400
+
_
_
S
+
_
S
+
_
S
+
+
_
50
AC
30
19 17
C
S
B
SFE14A
FUSE
G
WK
STARTER
B+
FUEL
SOLENOID
PULL
HOLD
B+
ALTERNATOR
GLOW PLUGS
RED 14G
RED 12G
RED 10G
YEL 10G
PRP 14G
RED 20G
YEL 10G
NEUTRAL
SAFETY
SWITCH
#10 RING
TERMINALS
ENGINE BLOCK
GROUND
RED 14G
RED 20G
RED 20G
BLK 20GBLK 20G
BLK 20G
BLK 20G
BLK 20G
BLK
BLK
BLK
BLK
RED 20G
RED 20G
ORN/WHT 14G
HYDRAULIC TEMPERATURE
SWITCH (OPTIONAL)
TEMPERATURE
SWITCH
RED/WHT 14G
FUEL LEVEL
SENDER
TEMPERATURE
SENDER
OIL PRESSURE
SENDER/SWITCH
5-POSITION
CONNECTOR
8-POSITION
CONNECTOR
ORN 14G
PNK 14G
YEL/BLK 14G
BRN 14G
BLU 14G
GRY/RED 14G
BLK 14G
YEL 16G
RED 10G
YEL 10G
PRP 14G
ORN/WHT 14G
RED/WHT 14G
ORN 14G
PNK 14G
YEL/BLK 14G
BRN 14G
BLU 14G
YEL 14G
RED 10G
YEL 10G
PRP 14G
RED 10G
WHT 16G
YEL/BLK 14G
YEL/BLK 14G
BLU 14G
GRY/RED 14G
GRY/RED 14G
MURPHY 117PH
RELAY
IGNITION
SWITCH
HOUR
METER
VOLTMETER
OIL
PRESSURE
WATER
TEMPERATURE
FUEL
GAUGE
TACH WIRE
(OPTIONAL)
CASE GND
MALE PIN
YELLOW 10G
BLUE 14G
FEMALE SOCKET
BROWN 14G
PURPLE 14G
BLACK 14G
YELLOW 14G
GREY/RED 14G
RED 10G
PINK 14G
ORG/WHT 14G
ORANGE 14G
RED/WHT 14G
YEL/BLK 14G
BLACK 14G
YELLOW 14G
GREY/RED 14G
RED 10G
YELLOW 10G
BLUE 14G
BROWN 14G
PURPLE 14G
RED/WHT 14G
YEL/BLK 14G
PINK 14G
ORG/WHT 14G
ORANGE 14G
WIRE HARNESS PLUG LEGENG
PANEL SIDE
ENGINE SIDE
N.C.

Table of Contents

Related product manuals