EasyManua.ls Logo

LeeBoy 400T - Valve Bank Assembly (400 T Only)

Default Icon
140 pages
Print Icon
To Next Page IconTo Next Page
To Next Page IconTo Next Page
To Previous Page IconTo Previous Page
To Previous Page IconTo Previous Page
Loading...
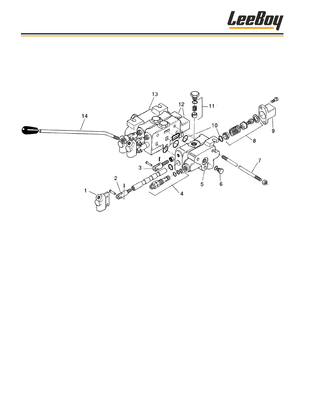
VALVE BANK ASSEMBLY (400T ONLY)
Figure 7-21. Valve Bank Assembly (400T Only)
Illustrated Parts List
LeeBoy Model 400 & 400T Rollers7-44

Table of Contents

Related product manuals