EasyManua.ls Logo

LG Multi V5 - Page 26

LG Multi V5
235 pages
Print Icon
To Next Page IconTo Next Page
To Next Page IconTo Next Page
To Previous Page IconTo Previous Page
To Previous Page IconTo Previous Page
Loading...
26
MULTI V 5 Outdoor Unit Service Manual
Due to our policy of continuous product innovation, some specifications may change without notification.
©LG Electronics U.S.A., Inc., Englewood Cliffs, NJ. All rights reserved. “LG” is a registered trademark of LG Corp.
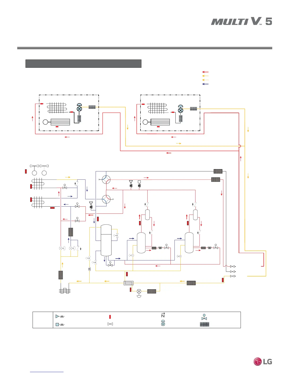
Heat Pump Operation — Upper Heat Exchanger Defrost
REFRIGERANT FLOW DIAGRAMS
ARUM144BTE5/DTE5, 168BTE5/DTE5, 192BTE5/DTE5, 216BTE5/DTE5, 241BTE5/DTE5
Heat Pump – Upper HEX Defrost Operation
s
s
s
s
s
s
s
s
s
M
M
EEV
Indoor Unit
Indoor HEX
Fan
EEV
Indoor Unit
Indoor HEX
Fan
M
M
Fan
Motor
Outdoor
Temperature
Sensor
Outdoor Unit HEX
Temperature Sensor
Outdoor Unit HEX
Temperature Sensor
Outdoor
Unit HEX
Temperature
Sensor
Lower Hot
Vapor Valve
4-Way Valve 2
High Pressure
Sensor
4-Way Valve 1
Suction
Temperature
Sensor
Receiver
Receiver
Outlet
Low
Pressure Sensor
Comp 1
Discharge
Temperatue Sensor
Comp 2
Discharge
Temperatue Sensor
Oil Separator Oil Separator
Liquid Pipe
Temperature Sensor
Low Pressure Vapor Pipe
High Pressure Vapor Pipe
Liquid Pipe
Inverter
Comp 1
Oil
Balance
Oil
Balance
Sub-Cooling Circuit
Outlet Temperature Sensor
Sub-Cooling HEX
Sub-Cooling Circuit Inlet
Temperature Sensor
SC
EEV
Accum
Pressure Switch
Upper Hot
Vapor Valve
Upper Outdoor EEV
Low Outdoor
EEV
Receiver
Inlet
SC
Suction
Oil Return
Heatsink
Active Path
Valve
Comp 1 Vapor
Injection
Inverter
Comp 2
Comp 2 Vapor
Injection
Pressure Sensor
Pressure Switch
Temperature Sensor
Remarks
SVC Valve
Check Valve
EEV
Solenoid Valve
Strainer
High Temperature High Pressure Vapor
High Temperature High Pressure Liquid
High Temperature High Pressure Liquid (Conditional)
Low Temperature Low Pressure Vapor

Table of Contents

Related product manuals