EasyManua.ls Logo

LG Multi V5 - Heat Recovery - Oil Return and Defrost Operation

LG Multi V5
235 pages
Print Icon
To Next Page IconTo Next Page
To Next Page IconTo Next Page
To Previous Page IconTo Previous Page
To Previous Page IconTo Previous Page
Loading...
32
MULTI V 5 Outdoor Unit Service Manual
Due to our policy of continuous product innovation, some specifications may change without notification.
©LG Electronics U.S.A., Inc., Englewood Cliffs, NJ. All rights reserved. “LG” is a registered trademark of LG Corp.
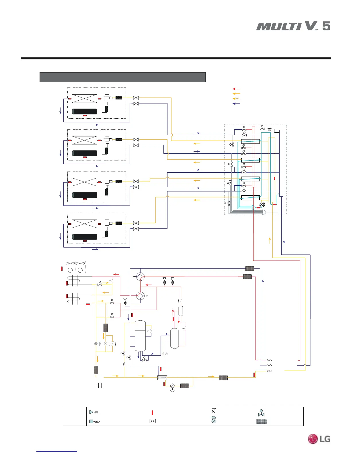
REFRIGERANT FLOW DIAGRAMS
ARUM072BTE5 / DTE5, ARUM096BTE5 / DTE5, ARUM121BTE5 / DTE5
Heat Recovery Operation — Oil Return and Defrost
Heat Recovery – Oil Return and Defrost Operation
s
s
s
s
s
s
s
s
s
s
s
s
s
HR unit
s
s
s
s
s
s
s
M
SC
EEV
EEV
Indoor Unit
Indoor HEX
Fan
EEV
Indoor Unit
Indoor HEX
Fan
EEV
Indoor Unit
Indoor HEX
Fan
EEV
Indoor Unit
Indoor HEX
Fan
Outdoor
Temperature
Sensor
Outdoor Unit HEX
Temperature Sensor
Outdoor Unit HEX
Temperature Sensor
Outdoor
Unit HEX
Temperature
Sensor
4-Way Valve 2
High Pressure
Sensor
4-Way Valve 1
Suction
Temperature
Sensor
Receiver
Receiver
Outlet
Low
Pressure Sensor
Comp
Discharge
Temperatue Sensor
Oil Separator
Liquid Pipe
Temperature Sensor
Low Pressure Vapor Pipe
High Pressure Vapor Pipe
Liquid Pipe
Inverter
Comp
Sub-Cooling Circuit
Outlet Temperature Sensor
Sub-Cooling HEX
Sub-Cooling Circuit Inlet
Temperature Sensor
Accum
Pressure Switch
SC
Suction
Oil Return
Active Path
Valve
Receiver
Inlet
Comp Vapor
Injection
Pressure Sensor
Pressure Switch
Temperature Sensor
Remarks
SVC Valve
Check Valve
EEV
Solenoid Valve
Strainer
Heatsink
M
Fan
*6 ton unit
only has 1 fan
Motor
High Temperature High Pressure Vapor
High Temperature High Pressure Liquid
High Temperature High Pressure Liquid (Conditional)
Low Temperature Low Pressure Vapor
Lower Hot
Vapor Valve
Upper Hot
Vapor Valve
Upper Outdoor
EEV Close
Lower Outdoor
EEV
Close
Close

Table of Contents

Related product manuals