EasyManua.ls Logo

Marvelmind Super-MP-3D - Page 45

Default Icon
263 pages
Print Icon
To Next Page IconTo Next Page
To Next Page IconTo Next Page
To Previous Page IconTo Previous Page
To Previous Page IconTo Previous Page
Loading...
45
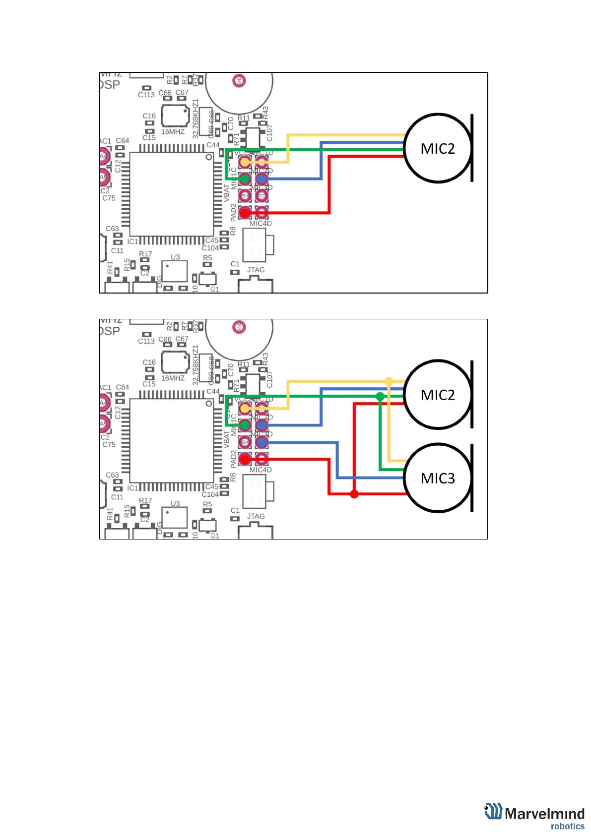
3.6.2.4. External microphones schemes:
Figure 5: One External Microphone connection
Figure 6: Two External Microphones connection

Table of Contents