EasyManua.ls Logo

Miller Multimatic 220 - Electrical Diagrams

Miller Multimatic 220
80 pages
Print Icon
To Next Page IconTo Next Page
To Next Page IconTo Next Page
To Previous Page IconTo Previous Page
To Previous Page IconTo Previous Page
Loading...
OM-281426 Page 50
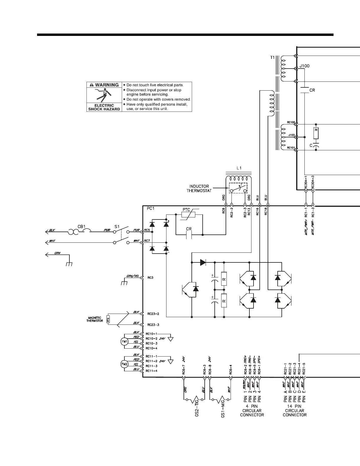
SECTION 9 ELECTRICAL DIAGRAMS
281418-A
Figure 9-1. Circuit Diagram

Table of Contents

Related product manuals