EasyManua.ls Logo

Mirae Mx400 - Page 391

Default Icon
681 pages
Print Icon
To Next Page IconTo Next Page
To Next Page IconTo Next Page
To Previous Page IconTo Previous Page
To Previous Page IconTo Previous Page
Loading...
Chapter 5 Solutions for Errors 5-
39
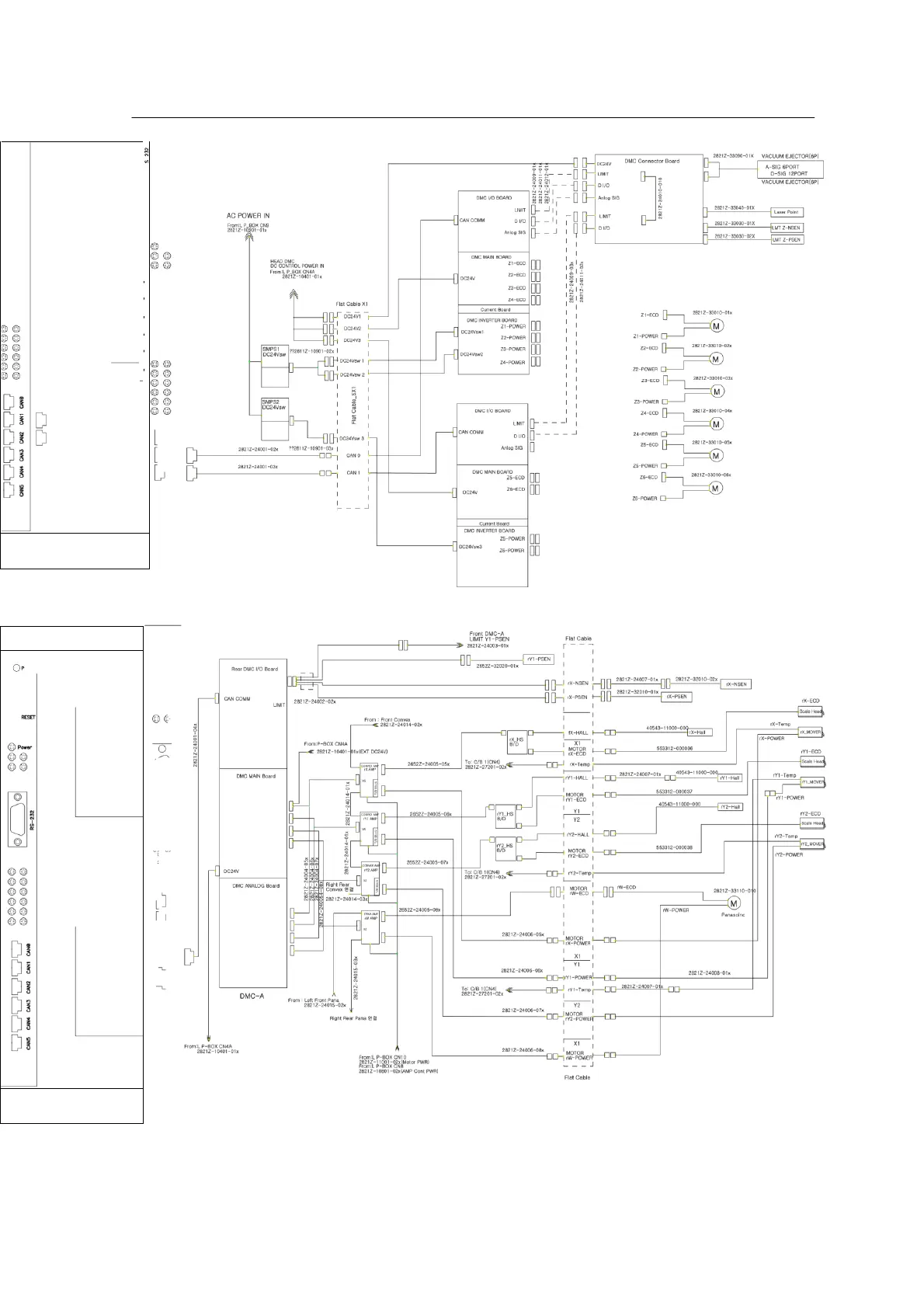
Front Head Block Diagram
Rear Gantry Block Diagram
CAN

Table of Contents

Related product manuals