EasyManua.ls Logo

Mirae Mx400 - Page 465

Default Icon
681 pages
Print Icon
To Next Page IconTo Next Page
To Next Page IconTo Next Page
To Previous Page IconTo Previous Page
To Previous Page IconTo Previous Page
Loading...
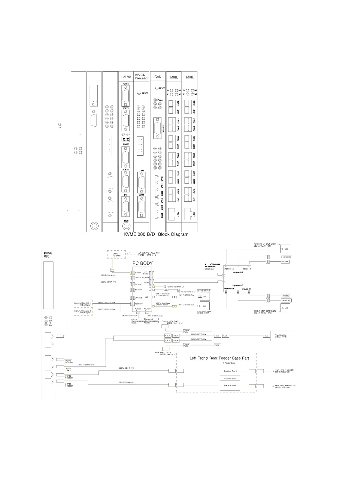
Appendix G-23
Fox ll VME Rack Ass'y(10Slot)
NX02V B/D Block Diagram
NX02V Board 1

Table of Contents

Related product manuals