EasyManua.ls Logo

Mirae Mx400 - Page 599

Default Icon
681 pages
Print Icon
To Next Page IconTo Next Page
To Next Page IconTo Next Page
To Previous Page IconTo Previous Page
To Previous Page IconTo Previous Page
Loading...
Chapter 2 part Description 1-
17
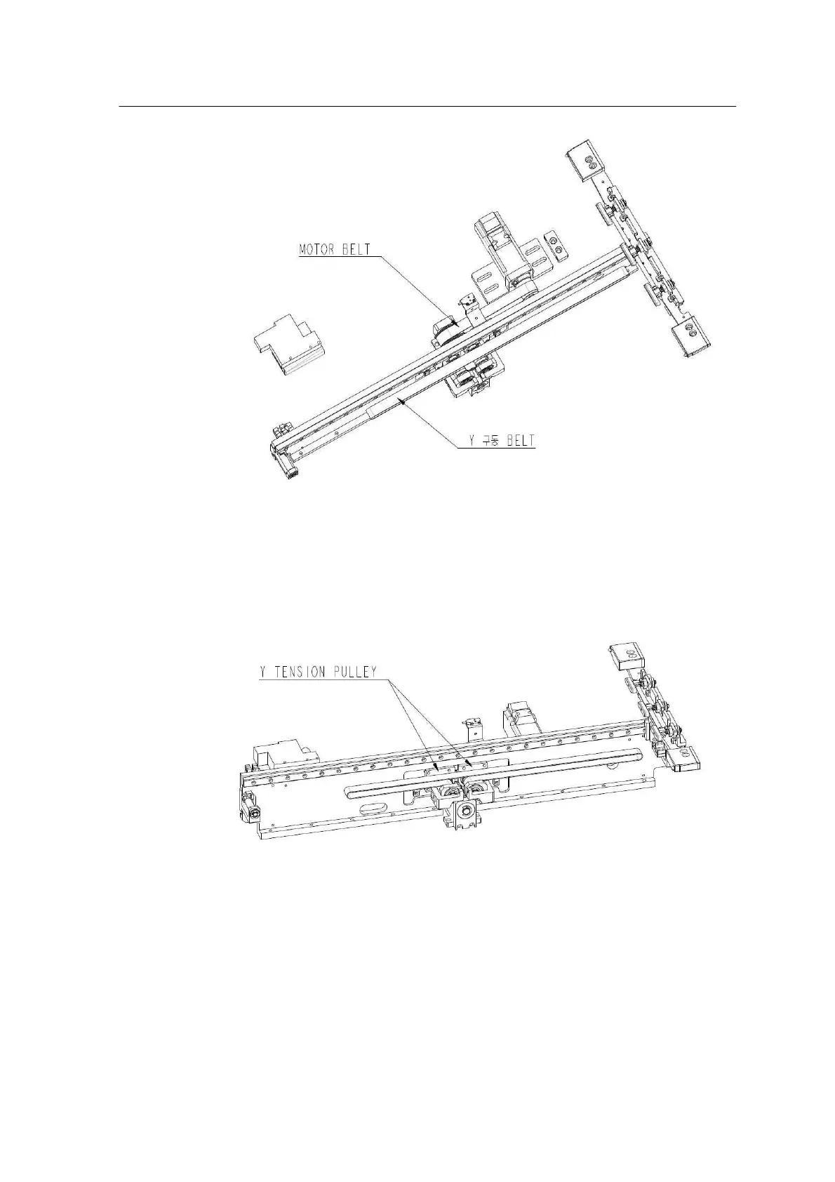
<그림 2-12 Y-axis Belt>
<그림 2-13 Y-axis Belt Tension Setting >

Table of Contents

Related product manuals