EasyManua.ls Logo

Mitsubishi 4G9 series - Removal and Installation <SOHC for PAJERO io> (Engines without distributor)

Mitsubishi 4G9 series
130 pages
Print Icon
To Next Page IconTo Next Page
To Next Page IconTo Next Page
To Previous Page IconTo Previous Page
To Previous Page IconTo Previous Page
Loading...
4G9 ENGINE (E-W) -
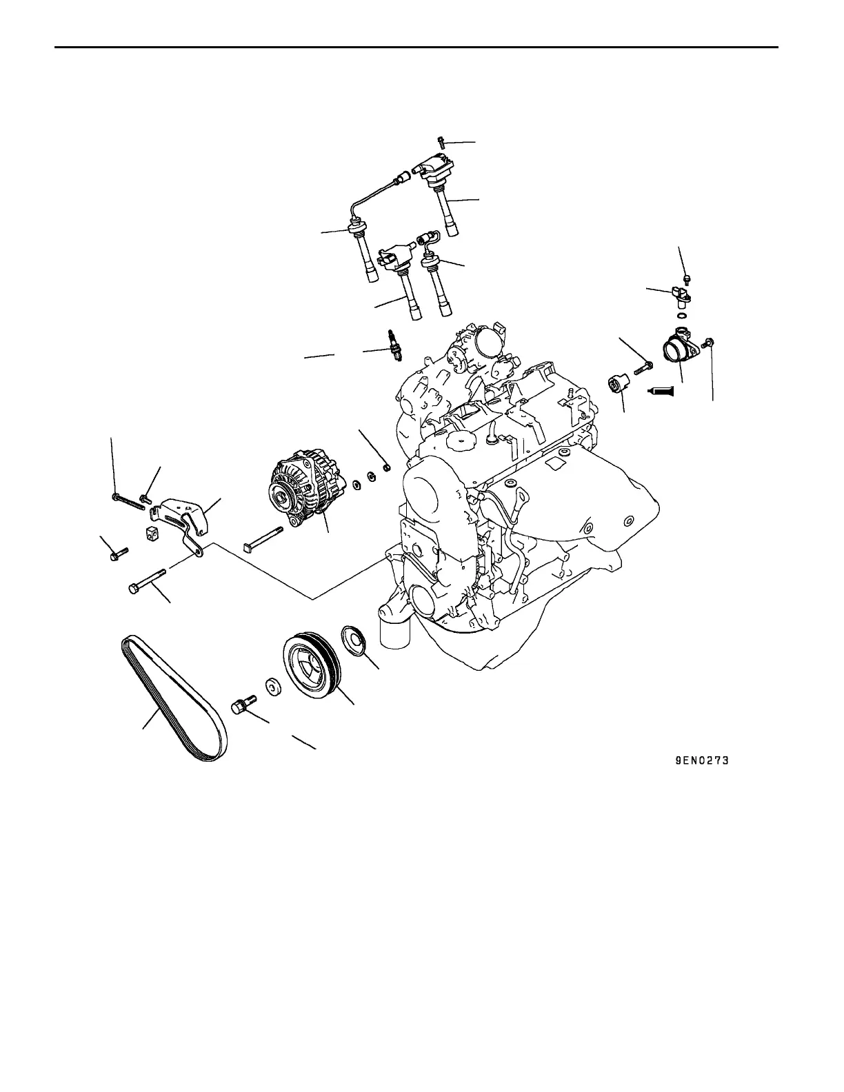
Alternator and Ignition System
11A-3-2a
REMOVAL AND INSTALLATION <SOHC for PAJERO io>
(Engines without distributor)
4.9 Nm
23 Nm
25 Nm
13 Nm
23 Nm
49 Nm
44 Nm
181 Nm
3
2
8
7
9Nm
10
4
1
5
6
10 Nm
21 Nm
9
12
11
8
7
Removal steps
1. Drive belt*
2. Alternator
3. Alternator brace
A
A
""
B
A 4. Crankshaft bolt
5. Crankshaft pulley
6. Front flange
7. Spark plug cable
8. Ignition coil
9. Spark plug
10. Cam position sensor
"
A
A 11. Cam position sensor support
12. Cam position sensing cylinder
NOTE:
*: For details of adjustment, refer to the relevant model’s
chassis workshop manual.
PWEE9502-E
E
Dec. 1998Mitsubishi Motors Corporation Added

Table of Contents

Other manuals for Mitsubishi 4G9 series

Related product manuals