EasyManua.ls Logo

Mitsubishi 4G9 series - Removal and Installation <DOHC>

Mitsubishi 4G9 series
130 pages
Print Icon
To Next Page IconTo Next Page
To Next Page IconTo Next Page
To Previous Page IconTo Previous Page
To Previous Page IconTo Previous Page
Loading...
4G9 ENGINE (E-W) -
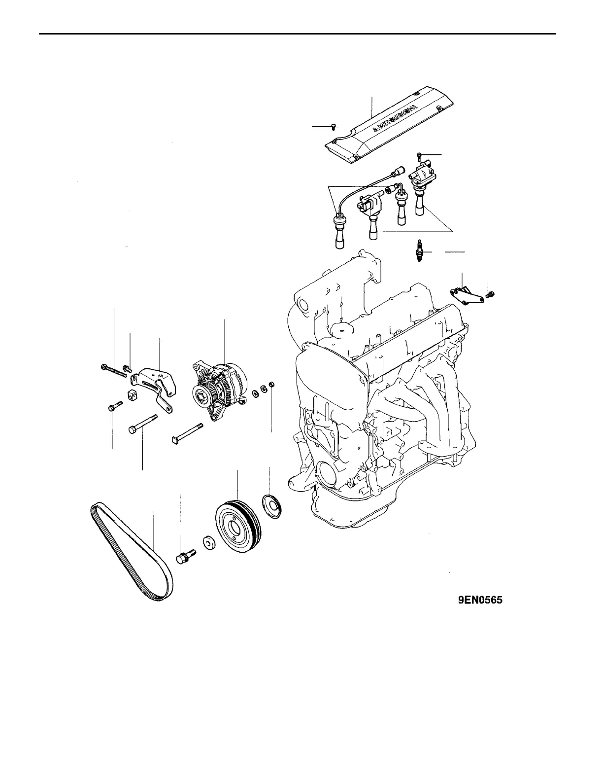
Alternator and Ignition System
11A-3-3
PWEE9502-A
E
Nov. 1995Mitsubishi Motors Corporation
Revised
REMOVAL AND INSTALLATION <DOHC>
10 Nm
25 Nm
23 Nm
29 Nm
181 Nm
3
2
7
8
4
1
5
6
9
3Nm
11
23 Nm
10 Nm
23 Nm
44 Nm
10
Removal steps
1. Drive belt*
2. Alternator
3. Alternator brace
A
A
""
B
A
4. Crankshaft bolt
5. Crankshaft pulley
6. Flange
7. Center cover
8. Ignition coil
9. Spark plug cable
10. Spark plug
11. Ignition failure sensor
NOTE:
*: For details of adjustment, refer to the relevant model’s
chassis workshop manual.

Table of Contents

Other manuals for Mitsubishi 4G9 series

Related product manuals