EasyManua.ls Logo

Mitsubishi 4G9 series - Removal and Installation <DOHC>

Mitsubishi 4G9 series
130 pages
Print Icon
To Next Page IconTo Next Page
To Next Page IconTo Next Page
To Previous Page IconTo Previous Page
To Previous Page IconTo Previous Page
Loading...
4G9 ENGINE (E-W) -
Rocker Arms and Camshafts
11A-8-2
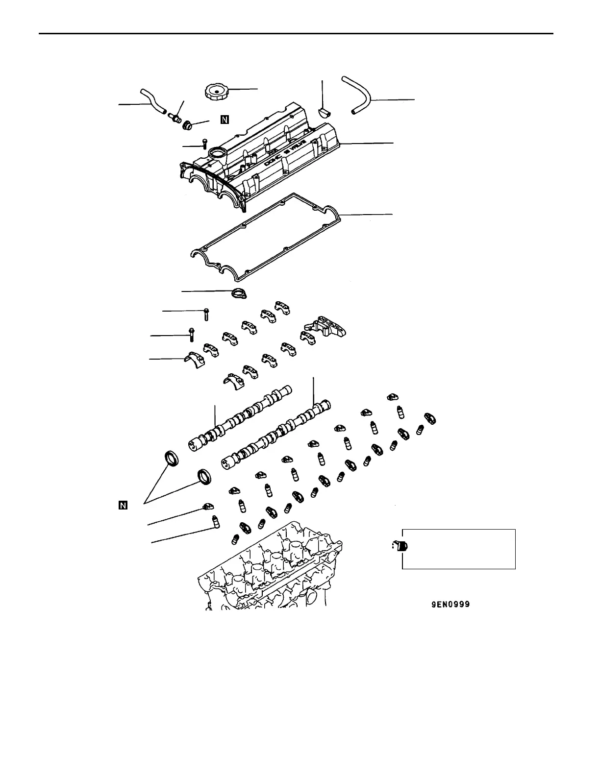
REMOVAL AND INSTALLATION <DOHC>
3
7
2
3.5 Nm
4
1
5
6
11 Nm
24 Nm
9
10
11
8
12
13
Apply engine oil to
all moving parts
before installation.
14
15
Removal steps
1. Breather hose
2. P.C.V. hose
3. P.C.V. valve
4. P.C.V. valve gasket
5. Oil filler cap
"
K
A 6. Rocker cover
7. Rocker cover gasket A
8. Rocker cover gasket B
"
J
A 9. Semi-circular packing
10. Oil seal
"
H
A 11. Bearing cap
"
G
A 12. Intake camshaft
"
G
A 13. Exhaust camshaft
14. Rocker arm
A
A
""
F
A 15. Lash adjuster
PWEE9502-E
E
Dec. 1998Mitsubishi Motors Corporation Revised

Table of Contents

Other manuals for Mitsubishi 4G9 series

Related product manuals