EasyManua.ls Logo

Moons' M2DV-1D82D - Wiring Methods for Power Supply P1; Single-Phase Power Supply Connection (AC220 V)

Moons' M2DV-1D82D
177 pages
Print Icon
To Next Page IconTo Next Page
To Next Page IconTo Next Page
To Previous Page IconTo Previous Page
To Previous Page IconTo Previous Page
Loading...
M Series AC Servo
User Manual
29
Rev. 1.1
9/13/2021
400-820-9661
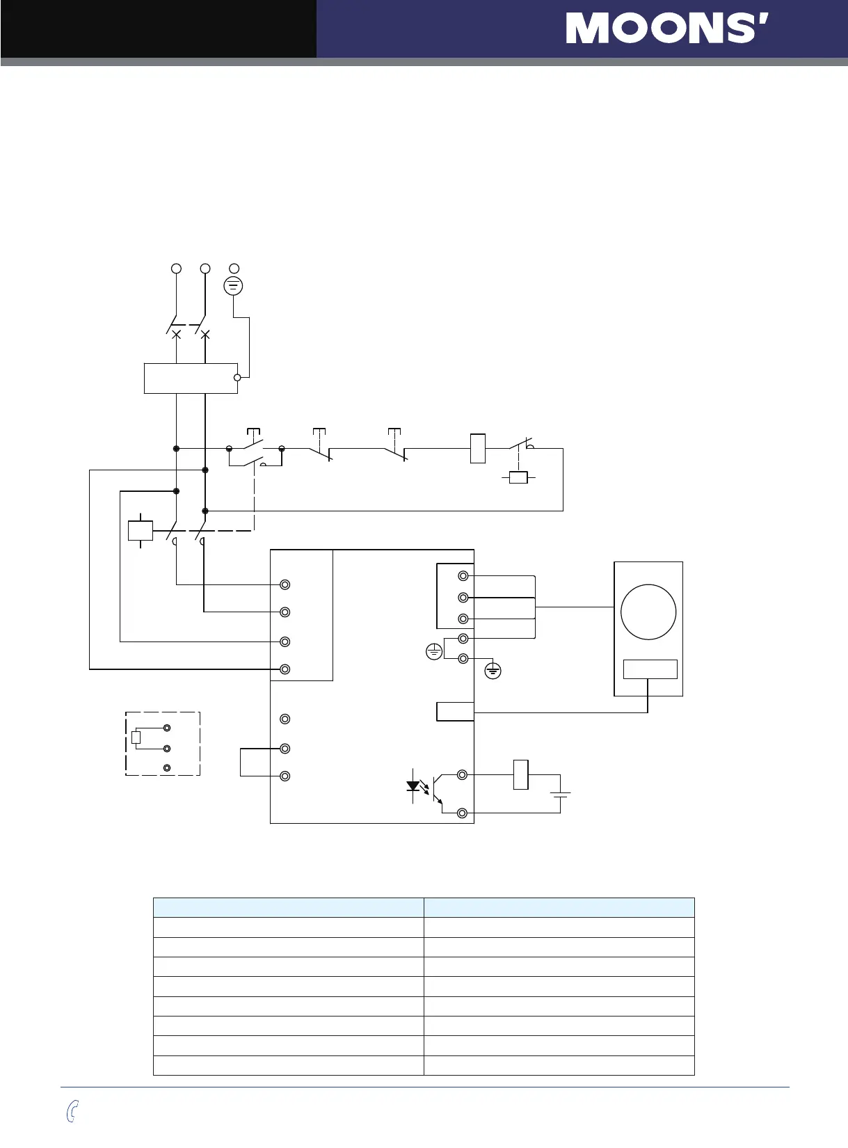
4.1.4 Wiring Methods For Power supply P1
220V AC servo drive supports single phase or three phase wiring method. Three phase wiring method for
750W or above drives is recommended.
4.1.4.1 Single-Phase Power Supply Connection (AC220V)
MC
MC
M
L1
L3
U
V
W
L N E
MCCB
P_on
P_off
MC
L1C
L2C
P2
P1
CN3
Red
Yellow
Blue
Yellow/Green
M2 Servo Drive
Alarm
Alm_R
24VDC
Alm_R
Encoder
NF
Encoder
E_stop
Ground
B1+
B2
B3
Use Internal
regeneration resistor
B1+
B2
B3
Use external
regeneration resistor
Note:
Symbol Description
MCCB Circuit Breaker
NF Noise Filter
P_on Power On Switch
P_o󰀨 Power O󰀨 Switch
E_stop Emergency Stop Switch
MC Magnetic Contactor
Alm_R Alarm Relay
Alarm Alarm Relay Contactor

Table of Contents

Related product manuals