EasyManua.ls Logo

Motorola ASTRO Digital XTL 5000

Motorola ASTRO Digital XTL 5000
528 pages
To Next Page IconTo Next Page
To Next Page IconTo Next Page
To Previous Page IconTo Previous Page
To Previous Page IconTo Previous Page
Loading...
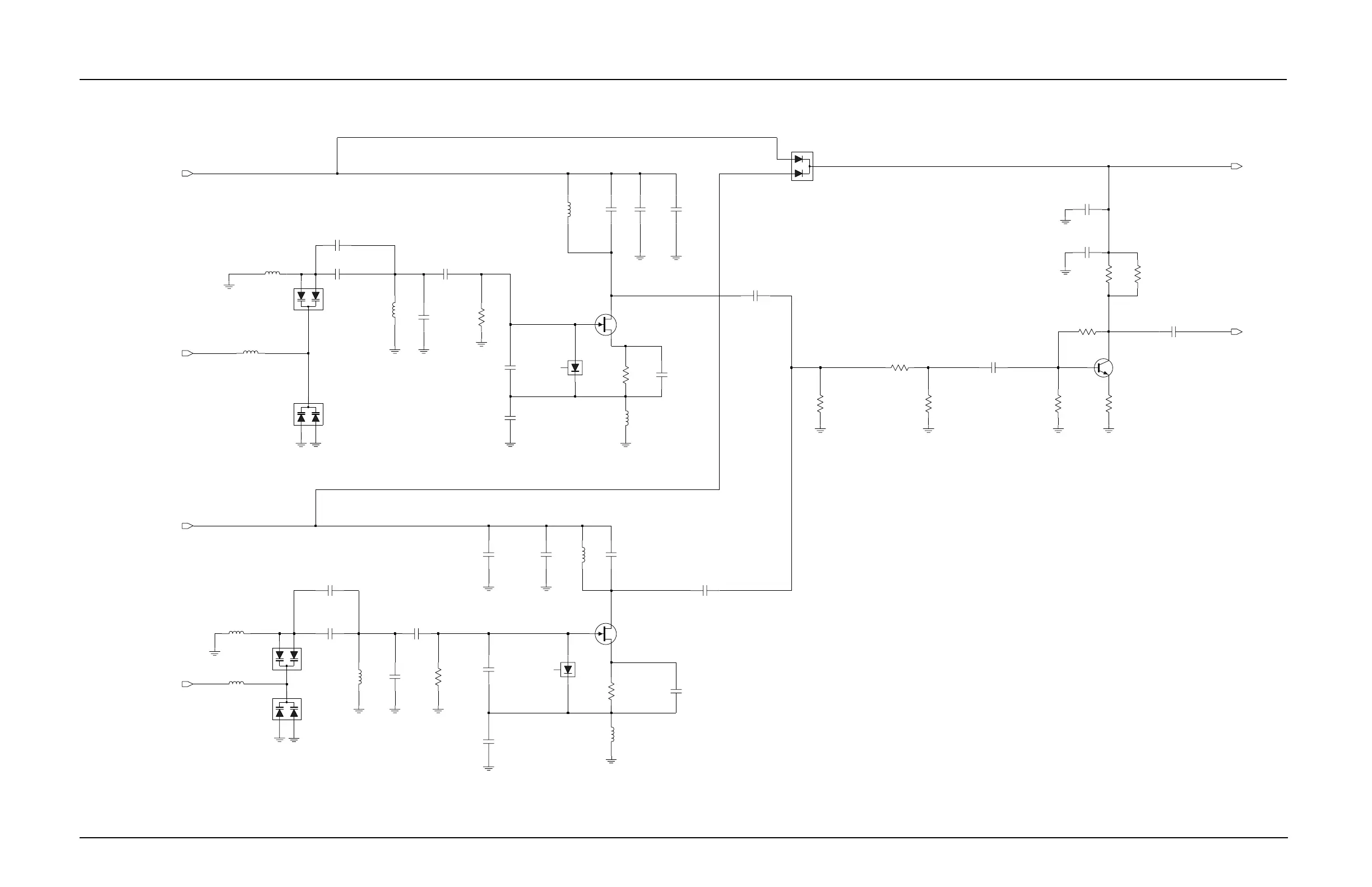
Schematics, Component Location Diagrams, and Parts Lists: HUD4022A/HUD4025B (VHF) Main Board 7-23
6881096C74-B May 25, 2005
Figure 7-21. HUD4022A/HUD4025B VHF Transmitter VCO Schematic
LOW VCO
HIGH VCO
NP
Millennium VHF TX VCO
NP
NP
73D02970C73-O
SHEET 20 OF 23
C3853
L3764
1uH
C3841
B(,1),A(,1)
B(,1),A(,1)
B(,1),A(,1)
B(,1),A(,1)
B(,1),A(,1)
TX_RF_OUT
B(,1),A(,1)
Control_V_Tx
B(,1),A(,1)
B(,1),A(,1)
High_VCO_SW
B(,1),A(,1)
TX_Buffer_EN
B(,1),A(,1)
B(,1),A(,1)
B(,1),A(,1)
B(,1),A(,1)
B(,1),A(,1) B(,1),A(,1)
B(,1),A(,1)
B(,1),A(,1)
22.000p
1.p
C3837
6.2p
1
3
D3752
1uH
L3759
2
R3884
620.
C3933
470.p
C3935
10.n
C3934
10.n
300.
R3840
300.
R3839
18.
R3833
C3802
470.p
Y3754
56.n
47n
C3816
Y3753
10.n
C3852
1.8p
1.8p
C3851
C3836
7.5p
C3838
6.2p
C3854
4.7p
C3844
18.p
C3835
C3842
22.000p
7.5p
C3799
7.5p
C3797
8.2p
12.p
1uH
C3794
L3763
C3785
470.p
82.
R3814
D3768
27.K
R3789
D3754
D3769
12
3
R3788
27.K
C3843
18.p
D3753
1uH
D3767
L3761
470.p
C3784
C3783
470.p12.p
C3793
D
S
D3750
Q3754
L3765
1uH
1uH
L3762
Q3753
D
S
82.
R3813
470.p
C3815
1uH
L3760
R3817
1.0u
L3758
C3814
22.
470.p
Q3760
4.7K
R3799
5.6K
R3793
620.
R3808
B(,1),A(,1)
B(,1),A(,1)
Low_VCO_SW
Control_V_Tx
B(,1),A(,1)
B(,1),A(,1)
B(,1),A(,1)
B(,1),A(,1)

Table of Contents

Other manuals for Motorola ASTRO Digital XTL 5000

Related product manuals