EasyManua.ls Logo

New Rock Technologies MX60E - Figure 3-87 Procedure of Handling LLDP Message Carrying a VLAN ID; Figure 3-88 Procedure of Handling the LLDP Message with no VLAN ID

Default Icon
129 pages
Print Icon
To Next Page IconTo Next Page
To Next Page IconTo Next Page
To Previous Page IconTo Previous Page
To Previous Page IconTo Previous Page
Loading...
MX Series Voice Gateway User Manual
New Rock Technologies, Inc. 115
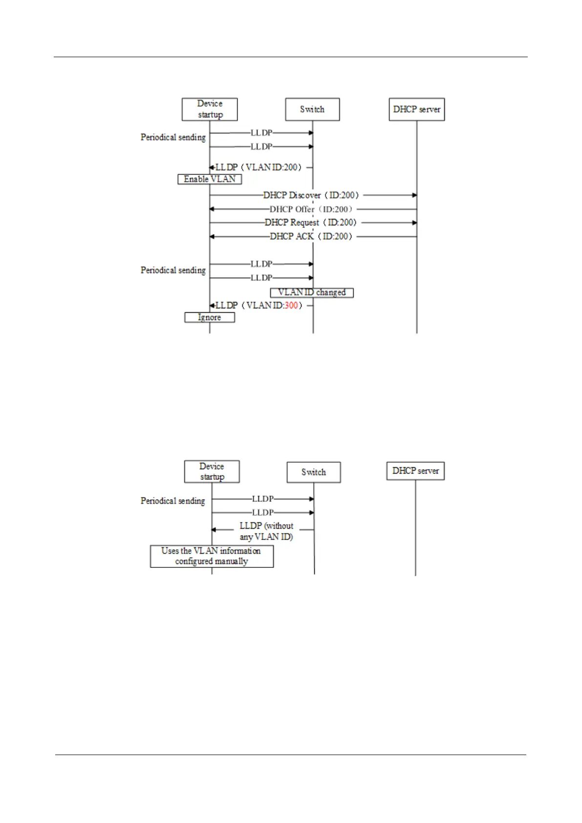
Figure 3-87 Procedure of Handling LLDP Message Carrying a VLAN ID
Procedure of Handling the LLDP Message with no VLAN ID
During startup period, if the device receives LLDP messages with no VLAN ID, it uses the VLAN
information configured manually. Figure 3-88 shows the handling procedure.
Figure 3-88 Procedure of Handling the LLDP Message with no VLAN ID
Messages
LLDP Message
Upon receipt of an LLDP message, the device will check if the VLAN ID, Priority, and DSCP fields are
included.
Figure 3-89 shows the LLDP message.

Table of Contents

Related product manuals