EasyManua.ls Logo

Nibe FIGHTER 360P - Circuit Diagram

Nibe FIGHTER 360P
60 pages
Print Icon
To Next Page IconTo Next Page
To Next Page IconTo Next Page
To Previous Page IconTo Previous Page
To Previous Page IconTo Previous Page
Loading...
FIGHTER 360P
For the Installer
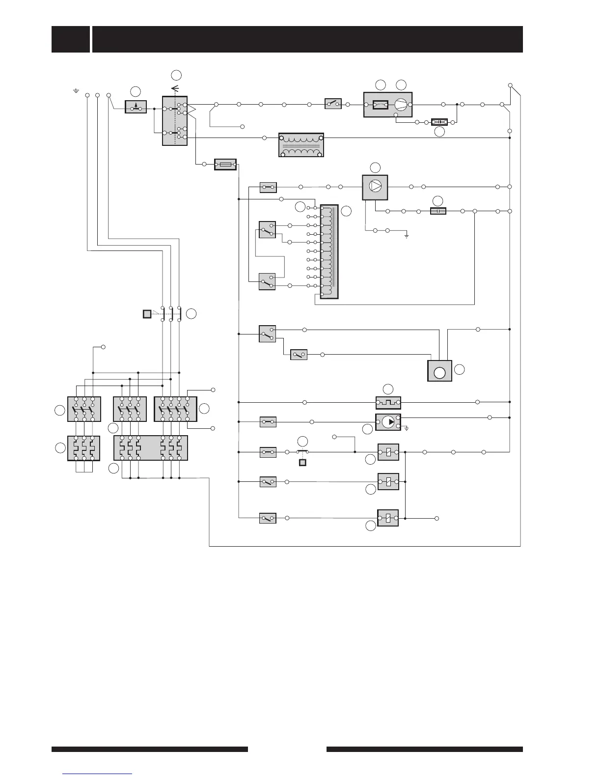
Circuit diagram50
Re3
Re2
Re11
Re1
Re4
Re5
Re6
Re8
Re9
Re10
X29
X29
N
X29
1A
3A
2A
4B
6B
5B
R
0
1
T
X20a
X20b
X29
X29
M
68
X29
9
X22
X29
5
X29
4
X29
7
6
5
4
3
2
7
8
9
10
1
X29
T
14
13
6
4
2
1
3
5
6
4
2
1
3
5
6
4
2
1
3
5
Svart
4,5 kW
Vit
3 kW
Brun (Röd)
6 kW
X11
2
X11
3
6
7
8
16
10
67
69
19
3
54
57
28
35
X29
34
X29
33
X29
31
X29
32
X12
4
X12
6
1
1
X13
L
10
X13b
X13a
N
N
F2
F1
X12
5
X12
1
X29
30
X11
1
X12
3
X12
2
13
X29
12
X29
14
X29
17
X29
18
X29
19
X29
29
X11
5
X11
6
X11
4
X9
N
X9
L1
X9
L2
X9
L3
PE
X29
46
X29
20
X20
X20
X29
2b 2a
1
X20b
X20a
X29
2
N N
36
X20a
X20b
PE PE
X29
36
69
24
67
1
10
X29
45
26
C
S
R
27
22
X29
26
X29
27
X29
28

Table of Contents

Related product manuals