EasyManua.ls Logo

Nice Robus RBS400 - Relay Photocells Without PHOTOTEST Function

Nice Robus RBS400
76 pages
Print Icon
To Next Page IconTo Next Page
To Next Page IconTo Next Page
To Previous Page IconTo Previous Page
To Previous Page IconTo Previous Page
Loading...
48 – ENGLISH
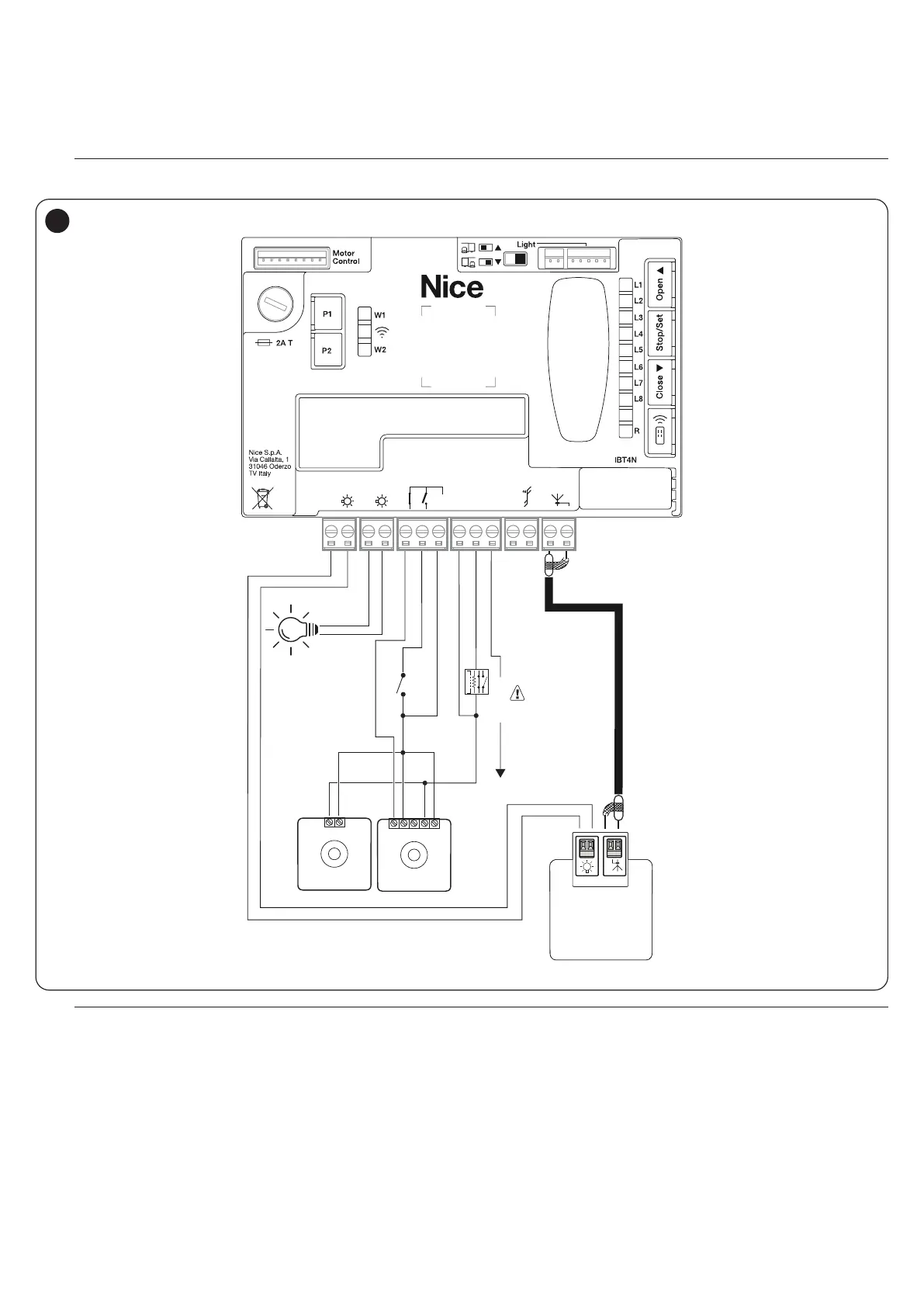
10.1.9 RELAY PHOTOCELLS WITHOUT PHOTOTEST FUNCTION
The control unit has the dedicated PHOTO input to which it is possible to connect the NC contact of the relay photocells. Unlike the conguration with
“PHOTOTEST”, after a command is given the manoeuvre is carried out without checking the validity of the signal coming from the photocells, without
nonetheless altering the external photocells’ reactivity to the status change.
Connect the photocells as shown in “Figure 66”.
Wiring diagram with relay photocells without PHOTOTEST
l
All images of the accessories are included purely for illustration purposes.
TX
+ -
RX
OSE
8k2
NC
NO
+ 12V
NO
FLASH
AERIAL
NC
C
NO
-
+
24V
+ -
12V OSE
Bluebus
Aerial
GND
Stop
Flash
Photo
OGI
SbS
*
66
a
Warning: 12 V only to connect opto electronic safety-edge (OSE) (max 15 mA)

Table of Contents

Related product manuals