EasyManua.ls Logo

Olympus CV-180 - Page 190

Olympus CV-180
296 pages
Print Icon
To Next Page IconTo Next Page
To Next Page IconTo Next Page
To Previous Page IconTo Previous Page
To Previous Page IconTo Previous Page
Loading...
182
Chapter 8 Installation and Connection
EVIS EXERA II VIDEO SYSTEM CENTER CV-180
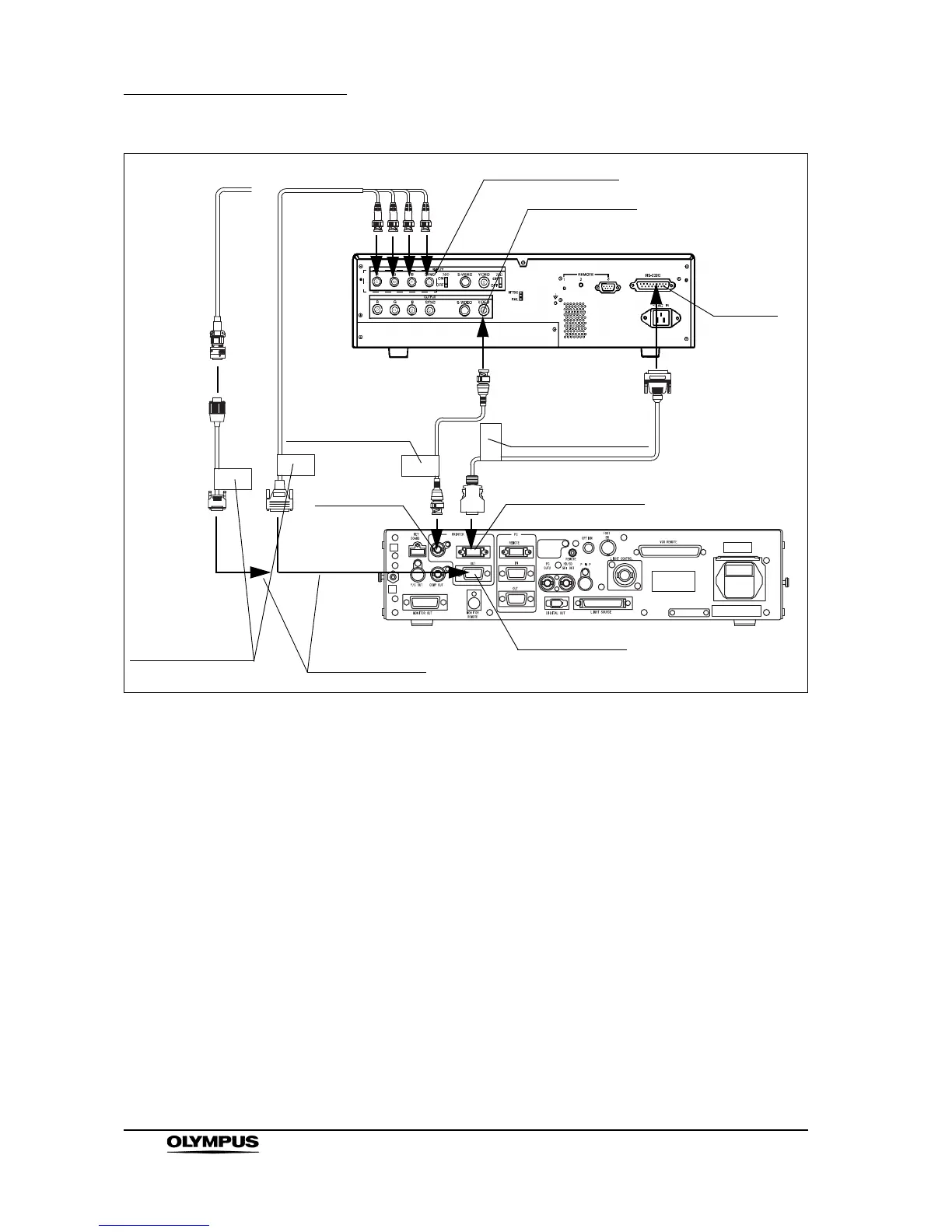
Figure 8.21
PRINTER REMOTEPRINTER IN
PRINTER OUT
R
GB
S
INPUT R/G/B/SYNC
MH-984
MH-995
MB-677
OUTPUT VIDEO
RS232C
Use either cable
connection.
CV-180
Video printer
Cable color sheet
“PRINTER REMOTE”
(green)
MAJ-849
MD-445
Cable color sheet
“PRINTER OUT”
(green)
Cable color sheet
“PRINTER IN”
(green)

Table of Contents

Related product manuals