EasyManua.ls Logo

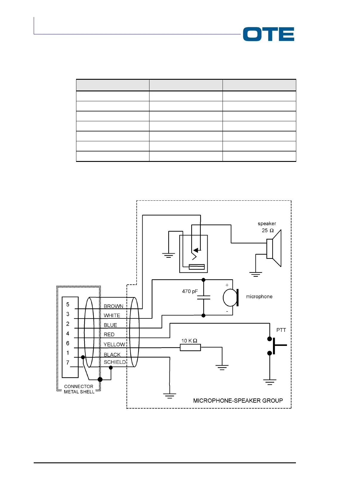
OTE PUMA T2 - Fig. B.6: Electric Scheme of the PTT Microphone with Internal Speaker; Tab. B.6: Pin Function

Default Icon
162 pages
Print Icon
To Next Page IconTo Next Page
To Next Page IconTo Next Page
To Previous Page IconTo Previous Page
To Previous Page IconTo Previous Page
Loading...
PUMA T2
Technical Handbook
Antenna & accessories
Page 110 OTE Proprietary information
P/N: 779-0306/01
Revision 03
Tab. B.6: Pin function
Pin Wire colour Function
PIN 1 BLACK GND
PIN 2 BLUE MIC-EN
PIN 3 WHITE MIC-EP
PIN 4 RED PTT-EXT
PIN 5 BROWN AP-EXT
PIN 6 YELLOW P-AUX2
PIN 7
NC
The electric scheme of the PTT microphone with internal speaker is shown in Fig.
B.6.
Fig. B.6: Electric scheme of the PTT microphone with internal speaker

Table of Contents