EasyManua.ls Logo

Panasonic CU-8ME1XPK - Page 440

Panasonic CU-8ME1XPK
643 pages
Print Icon
To Next Page IconTo Next Page
To Next Page IconTo Next Page
To Previous Page IconTo Previous Page
To Previous Page IconTo Previous Page
Loading...
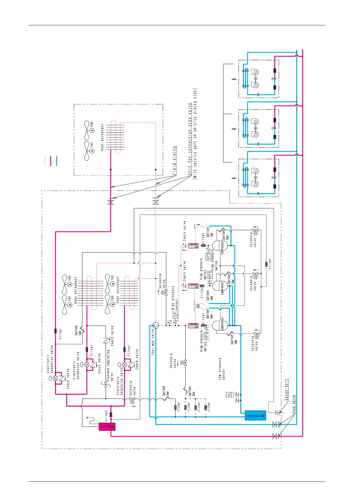
PACD011001C2 Outdoor Unit Refrigerant System Diagram
Function UM Combination “MA1R Series” Using R-407C 419
1.2.3 Oil Return Operation (Cooling)
Heat exchanger
Fan
Indoor unit
Filter
Filter
Heat exchanger
Fan
Indoor unit
Filter
Filter
Heat exchanger
Fan
Indoor unit
Filter
Filter
OIL
OIL
OIL
Fan ON Fan ON
" ON "
Fan ON
" ON "" OFF "
Unit opration
(V0912)
High pressure & high temperature gas refrigerant
High pressure & high temperature liquid refrigerant
Low pressure & low temperature liquid & gas refrigerant

Table of Contents

Other manuals for Panasonic CU-8ME1XPK

Related product manuals