EasyManua.ls Logo

Panasonic CU-8ME1XPK - Page 441

Panasonic CU-8ME1XPK
643 pages
Print Icon
To Next Page IconTo Next Page
To Next Page IconTo Next Page
To Previous Page IconTo Previous Page
To Previous Page IconTo Previous Page
Loading...
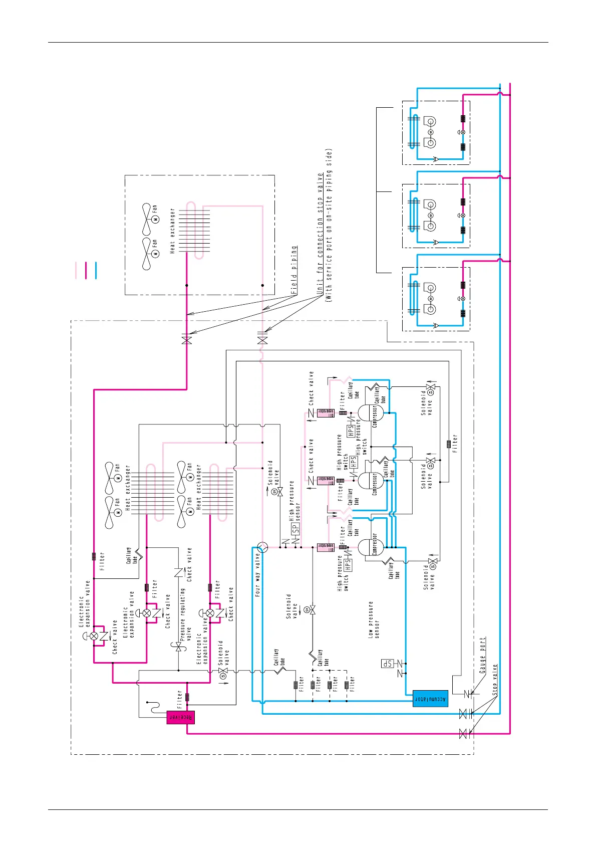
Outdoor Unit Refrigerant System Diagram PACD011001C2
420 Function UM Combination “MA1R Series” Using R-407C
1.2.4 Oil Return Operation (Heating)
Heat exchanger
Fan
Indoor unit
Filter
Filter
Heat exchanger
Fan
Indoor unit
Filter
Filter
Heat exchanger
Fan
Indoor unit
Filter
Filter
OIL
OIL
OIL
Fan OFFFan OFF Fan OFF
" ON " " ON "" OFF "
Unit opration
(V0913)
High pressure & high temperature gas refrigerant
High pressure & high temperature liquid refrigerant
Low pressure & low temperature liquid & gas refrigerant

Table of Contents

Other manuals for Panasonic CU-8ME1XPK

Related product manuals