EasyManua.ls Logo

Panasonic PT-TX430 - Connecting Example: Computers

Panasonic PT-TX430
112 pages
Print Icon
To Next Page IconTo Next Page
To Next Page IconTo Next Page
To Previous Page IconTo Previous Page
To Previous Page IconTo Previous Page
Loading...
32 - ENGLISH
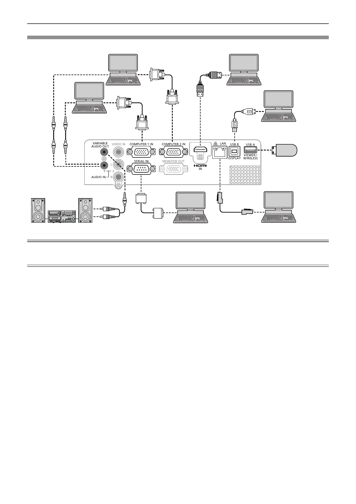
Connecting example : Computers
Audio equipment
Computer
Control computer
Control computer
Computer
Computer
Computer
USB memory /
Wireless module
(Model No.: ET-WML100)
Attention
f When connecting the projector to a computer or an external device, use the power cord supplied with each device and
commercially available shielded cables.
Note
f For an HDMI cable, use an HDMI High Speed cable that conforms to HDMI standards. If a cable that does not conform to
HDMI standards is used, images may be interrupted or may not be projected.
f If you operate the projector using the computer with the resume feature (last memory), you may have to reset the resume
feature to operate the projector.
f When the <VARIABLE AUDIO OUT> terminal is connected with cable, the sound will not be output from the built-in speaker.
f Attach the optional wireless module (Model No.: ET-WML100) or USB memory directly to the <USB A (VIEWER/
WIRELESS)> terminal of this projector without using a USB extension cable or USB hub.
f If the video signal from the DVI-D terminal of the external device (such as a computer) is connected to the <HDMI IN>
terminal by using a conversion cable, you need to set the [Setting] menu → [HDMI setup] → [Sound] to [Computer]
(x page 59) and input the audio signal to the <AUDIO IN 1> terminal.
Chapter 2 Getting Started - Connecting

Table of Contents

Other manuals for Panasonic PT-TX430

Related product manuals