EasyManua.ls Logo

Panasonic SA-MAX500LMK - Page 66

Panasonic SA-MAX500LMK
133 pages
Print Icon
To Next Page IconTo Next Page
To Next Page IconTo Next Page
To Previous Page IconTo Previous Page
To Previous Page IconTo Previous Page
Loading...
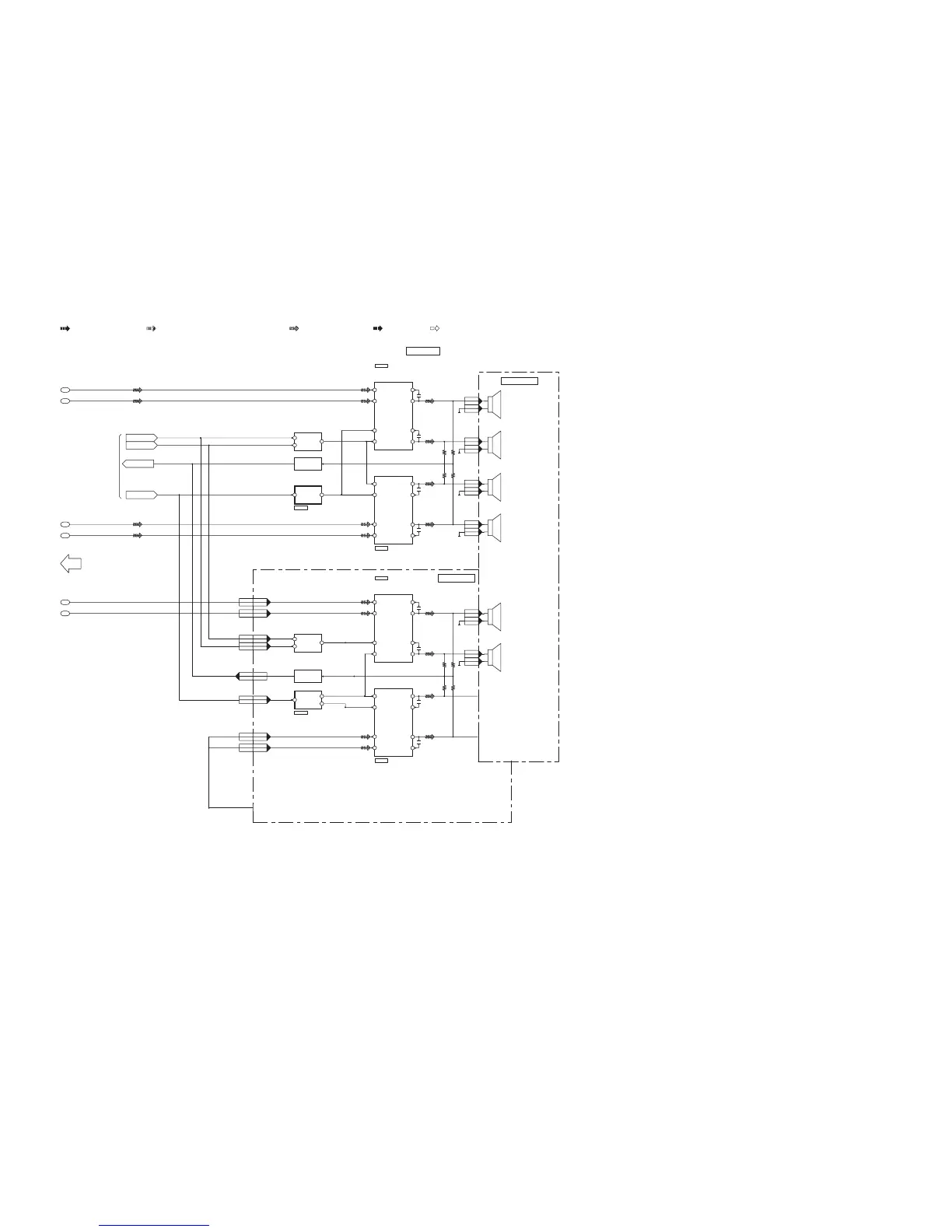
SA-MAX500 AUDIO (2/2) BLOCK DIAGRAM
TO AUDIO
BLOCK (1/2)
4
5
2
3
6
7
FR R TWEETER
FR L TWEETER
FR R WOOFER
FR L WOOFER
MAIN P.C.B.
: AUX/TUNER/MUSIC PORT/MIC AUDIO INPUT SIGNAL LINE : AUDIO OUTPUT SIGNAL LINE: CD AUDIO INPUT SIGNAL LINE
: AM SIGNAL LINE : FM SIGNAL LINE
FROM/TO
SERVO & SYSTEM CONTROL
HEX INVERTER
C0JBAB000902
IC5600
X5601,X5602
CLOCK
GENERATOR
CIRCUIT
HEX INVERTER
C0JBAB000902
IC5500
X5500,X5501
CLOCK
GENERATOR
CIRCUIT
D-AMP P.C.B.
AUDIO DIGITAL
AMPLIFIER
C1BA00000497
IC5800
Q5603,Q5604
SPEAKER
PROTECTION
SWITCH
Q5600,Q5601,Q5602
MODE
SELECTION
CIRCUIT
OUT1
BOOT1
OSC
OUT2
BOOT2
MODE
DC DET AMP
DC DET AMP
F HOP
F HOP
MOD DA
MODE DA
MUTE F
MUTE F
10
9
21
IN2-
1
14
15
2
IN1+
23
SPEAKERS
FRONT(LEFT)
HIGH
FRONT(LEFT)
MID LOW
+
-
5
JK5601
6
JK5601
-
+
8
JK5601
7
JK5601
AUDIO DIGITAL
AMPLIFIER
C1BA00000497
IC5700
OUT1
BOOT1
OSC
OUT2
BOOT2
MODE
10
9
21
IN2-
1
14
15
2
IN1+
23
FRONT(RIGHT)
HIGH
FRONT(RIGHT)
MID LOW
+
-
1
JK5601
2
JK5601
-
+
4
JK5601
3
JK5601
AUDIO DIGITAL
AMPLIFIER
C1BA00000497
IC5400
OUT1
BOOT1
OSC
OUT2
BOOT2
MODE
10
9
21
IN2-
1
14
15
2
IN1+
23
OUT1
BOOT1
OSC
OUT2
BOOT2
MODE
10
9
21
IN2-
1
14
15
2
IN1+
23
(LEFT)
(RIGHT)
+
-
4
JK5001
3
JK5001
-
+
1
JK5001
2
JK5001
SURR L
SURR R
POHFPOHF
414
CN5050CN2004
ADDOMADDOM
117
CN5050CN2004
FETUMFETUM
513
CN5050CN2004
TEDCDTEDCD
216
CN5050CN2004
Q5101,Q5102
SPEAKER
PROTECTION
SWITCH
Q5601,Q5603,Q5604
MODE
SELECTION
CIRCUIT
(SB-MAX500)
(SB-MAX500)
2REFOOWBUS2REFOOWBUS
153
CN5050CN2004
1REFOOWBUS1REFOOWBUS
171
CN5050CN2004
LDNUORRUSLDNUORRUS
99
CN5050CN2004
RDNUORRUSRDNUORRUS
117
CN5050CN2004
AUDIO DIGITAL
AMPLIFIER
C1BA00000497
IC5000

Table of Contents

Related product manuals