EasyManua.ls Logo

Panasonic SA-MAX500LMK - Remote Sensor

Panasonic SA-MAX500LMK
133 pages
Print Icon
To Next Page IconTo Next Page
To Next Page IconTo Next Page
To Previous Page IconTo Previous Page
To Previous Page IconTo Previous Page
Loading...
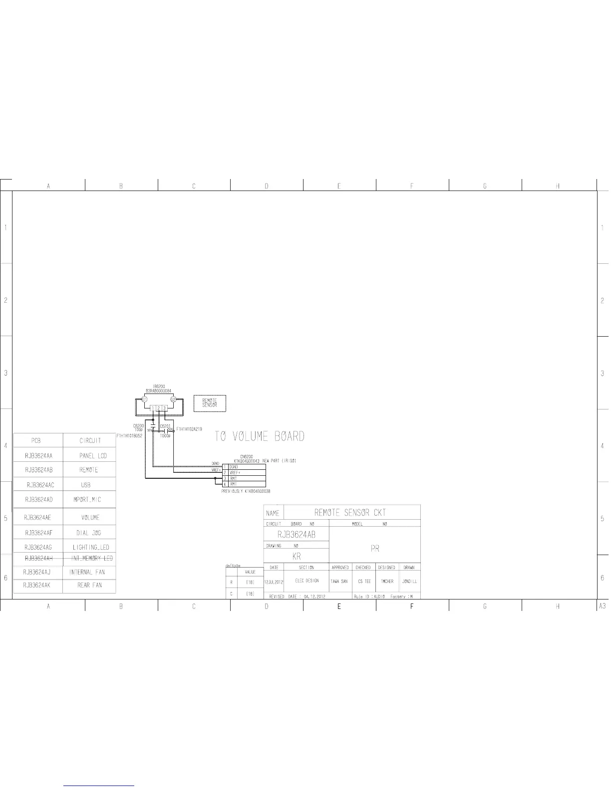
14.7. Remote Sensor
MAX500

Table of Contents

Related product manuals