EasyManua.ls Logo

Panasonic SA-MAX500LMK - Volume Circuit

Panasonic SA-MAX500LMK
133 pages
Print Icon
To Next Page IconTo Next Page
To Next Page IconTo Next Page
To Previous Page IconTo Previous Page
To Previous Page IconTo Previous Page
Loading...
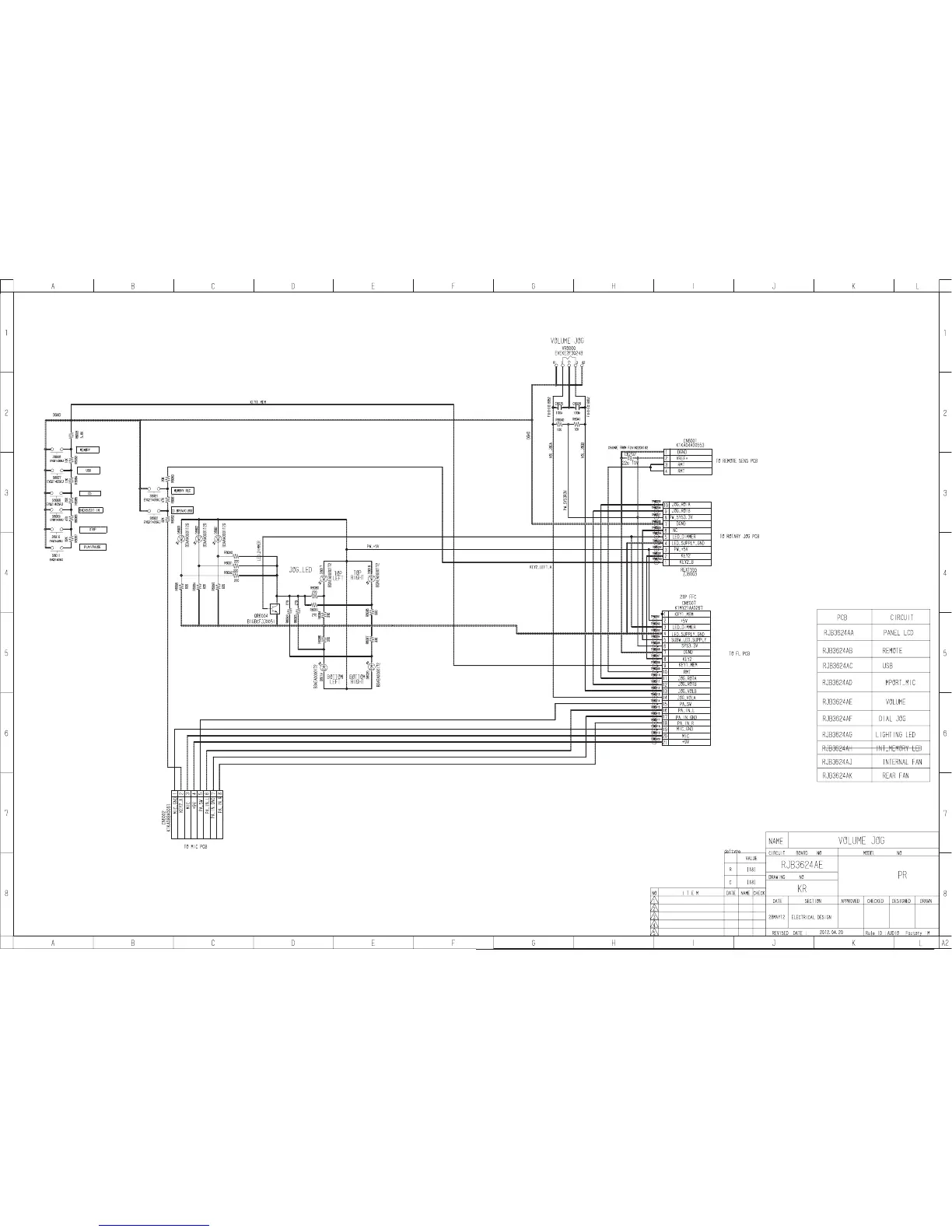
14.4.Volume Circuit
MAX500

Table of Contents

Related product manuals