EasyManua.ls Logo

Panasonic SA-MAX500LMK - Audio

Panasonic SA-MAX500LMK
133 pages
Print Icon
To Next Page IconTo Next Page
To Next Page IconTo Next Page
To Previous Page IconTo Previous Page
To Previous Page IconTo Previous Page
Loading...
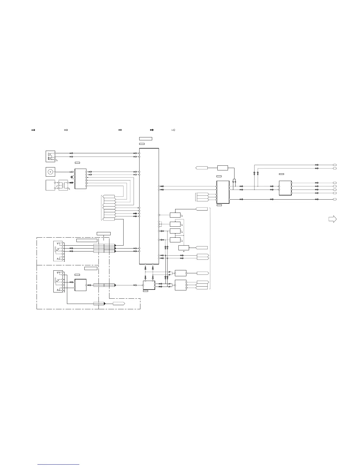
12.3. Audio
SA-MAX500 AUDIO (1/2) BLOCK DIAGRAM
TO AUDIO
BLOCK (2/2)
4
5
2
3
6
7
1
R
L
AUX IN
JK2000
3
1
2
ASP
C1AB00003256
IC2000
OUTB 22
EXTSENSE 24
OUTA 17
AUX L
RECOUTB 34
RECOUTA 6
VOLINB 33
VOLINA 7
RCH IN
LCH IN
CLIP ATTN
38 IN3B
AUX R
2 IN3A
37 IN2B
3 IN2A
CD L
44 IN6B
CD R
ASP DATA
ASP CLK
MPORT SW
47 IN6A
20 SCL
19 SDA
ASP CLK
CLIP SENSOR
LCH IN
RCH IN
CD L
CD R
CLIP ATTN
BASS SHIFT
BASS SHIFT
BASS CTR
BASS CTR
MUSIC CTR
MUSIC CTR
ASP DATA
DUAL OP-AMP
C0AABB000125
IC2005
CLIP SENSOR
CIRCUIT
FR R WOOFER
FR R TWEETER
FR L TWEETER
FR L WOOFER
SURR L
SURR R
FROM/TO
SERVO & SYSTEM CONTROL
TO
SERVO & SYSTEM CONTROL
MAIN P.C.B.
MIC P.C.B.
MPORT SW
50 IN5A
42 IN5B
35
MONOUTB
5
MONOUTA
44
ZJ6401*
22
ZJ6401*
11
ZJ6002*
ZJ6002*
ZJ6002*
ZJ6401*
226
CN2003CN6000
208
CN2003CN6000
199
CN2003CN6000
MPORT R
MPORT L
MPORT SW
MPORT R
MPORT L
MPORT SW
R
L
MUSIC PORT
JK6401
3
2
1
6
7
5
4
MUSIC PORT P.C.B.
Q2001
Q2037
BPF2 14
BPF3 15
BPF1 13
Q2042
Q2041
PANEL P.C.B.
FROM/TO
SERVO & SYSTEM CONTROL
AUTO BASS
Q2038,Q2039
AUTO BASS
CIRCUIT
AUTO BASS
Q2050
: AUX/TUNER/MUSIC PORT/MIC AUDIO INPUT SIGNAL LINE : AUDIO OUTPUT SIGNAL LINE: CD AUDIO INPUT SIGNAL LINE
: AM SIGNAL LINE : FM SIGNAL LINE
AM/FM
RADIO RECEIVER
C1AB00003566
IC52
X51
2
1
FM ANT
JK51
TU SCLK
TU SDA
LOUT 14
ROUT 13
GCGPIO2 18
SDIO 8
SCLK 7
RST 5
2 FMI
17 DCLK
9 RCLK
AM ANT
JK52
L52
4
6
3
1
2
4 AMI
TU INT
CLIP SENSOR
TU INT
TU SDA
TU SCLK
TU RST
TU RST
SWITCH
SWITCH
Q2040
SWITCH
SWITCH
SWITCH
DUAL OP-AMP
C0ABBB000067
IC2004
Q2004,Q2005,Q2006
Q2008,Q2009,Q2010
SW MUTE
SW LV1
SW LV2
FRONT
HIGH & LOW
DUAL AMPLIFIER
CIRCUIT
DUAL OP-AMP
C0ABBB000067
IC2001
Q2028,Q2029
Q2030,Q2032
SW LV1
SW LV2
SW MUTE
SUBWOOFER
FROM
SERVO & SYSTEM CONTROL
MIC SW
MIC
CIRCUIT
MIC AMPLIFIER
C1AB00003130
IC6500
MIC SW
MIC VOLUME
VR6500
MIC
JK6500
BUFFER AMP
C0ABBB000067
IC2002
MIC MIXING
AMP CIRCUIT
MIC SW
TO
SERVO &
SYSTEM CONTROL
3
2
1
6
7
5
4
MICMIC
33
ZJ6003*ZJ6500*
244
CN2003CN6000
22
ZJ6003*ZJ6500*
LVL MTR
QR2001,Q2000,Q2007
Q2016,Q2017,Q2026
LEVEL METER
CIRCUIT
PRE-AMP
&
SUPER WOOFER
CIRCUIT
LVL MTR
NOTE: “ * ” REF IS FOR INDICATION ONLY

Table of Contents

Related product manuals