EasyManua.ls Logo

Robinson R66 - Wiring Schematics

Robinson R66
950 pages
Print Icon
To Next Page IconTo Next Page
To Next Page IconTo Next Page
To Previous Page IconTo Previous Page
To Previous Page IconTo Previous Page
Loading...
90-280 Wiring Schematics
JUL 2020 Chapter 90 Police Version Page 90.29
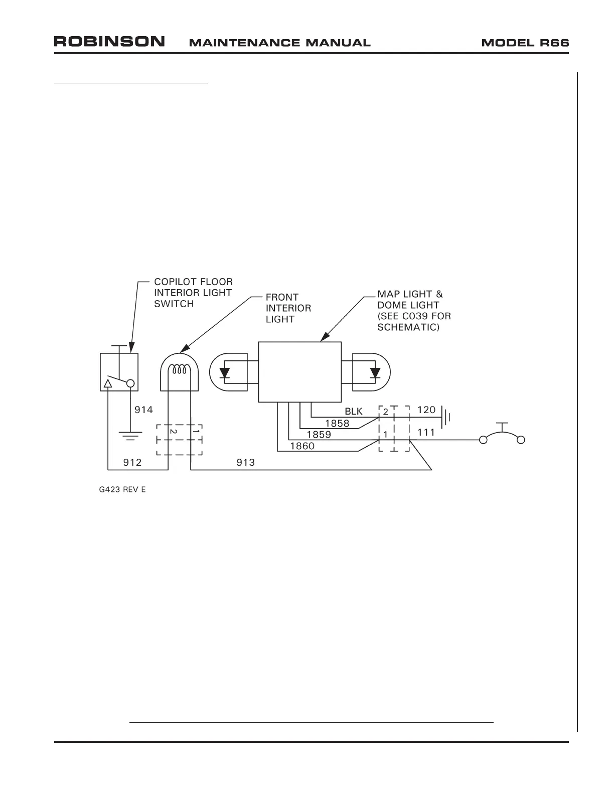
FIGURE 90-2 CO60-3 INTERIOR LIGHT INSTALLATION WIRING SCHEMATIC

Table of Contents